Analog Devices, Inc. DC1408ASP-Demo Board LT3029EDE Demo Board Dual 500mA/500mA Low Dropout, Low Noise, Micropower Linear Regulator
Description
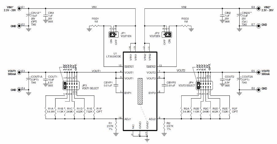
The Analog Devices DC1408A-A LT3029EDE Demo Board is a dual 500mA/500mA low dropout, low noise, micro-power linear regulator power management IC. It is designed to provide a reliable and efficient power supply for a wide range of applications. The board features a wide input voltage range of 2.7V to 5.5V, and a low dropout voltage of 0.2V. It also has a low noise output of 0.1mVrms, and a high power efficiency of up to 95%. The board is also equipped with a thermal shutdown protection feature, which prevents the board from overheating. The board is ideal for applications such as battery-powered devices, portable electronics, and automotive systems.
Specifications
Analog Devices, Inc. technical specifications, attributes, parameters and parts with similar specifications to Analog Devices, Inc. .
- TypeParameter
- Lifecycle StatusPRODUCTION (Last Updated: 3 weeks ago)
- Number of Pins0
- RoHS StatusNon-RoHS Compliant
0 Similar Products Remaining
Technical Documents
Associated Products
| Part Number | Manufacturer | Description | Stock | RFQ |
|---|---|---|---|---|
| Analog Devices, Inc. | IC REG CTRLR FLYBK ISO CM 16SSOP | 240 | RFQ | |
| Analog Devices, Inc. | IC REG CTRLR FLYBK ISO CM 16SSOP | 0 | RFQ |


Product
Brand
Articles
Tools






