Analog Devices, Inc. DC2874A-C
Description
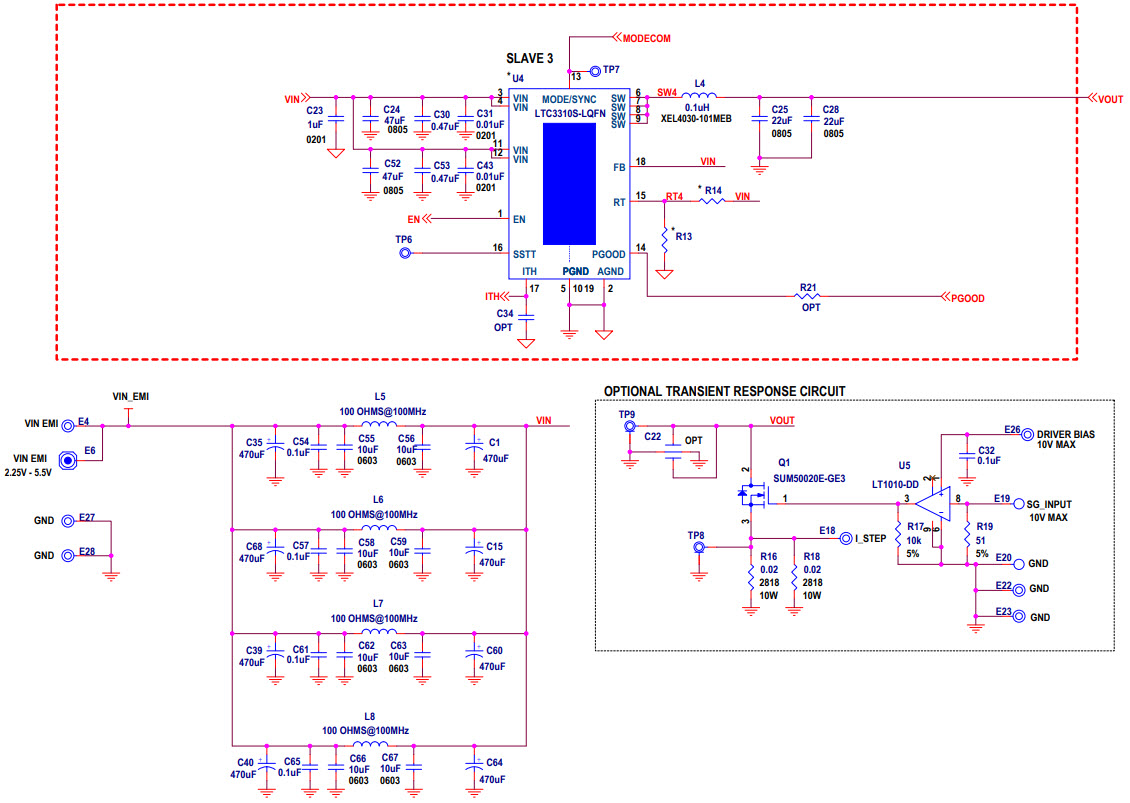
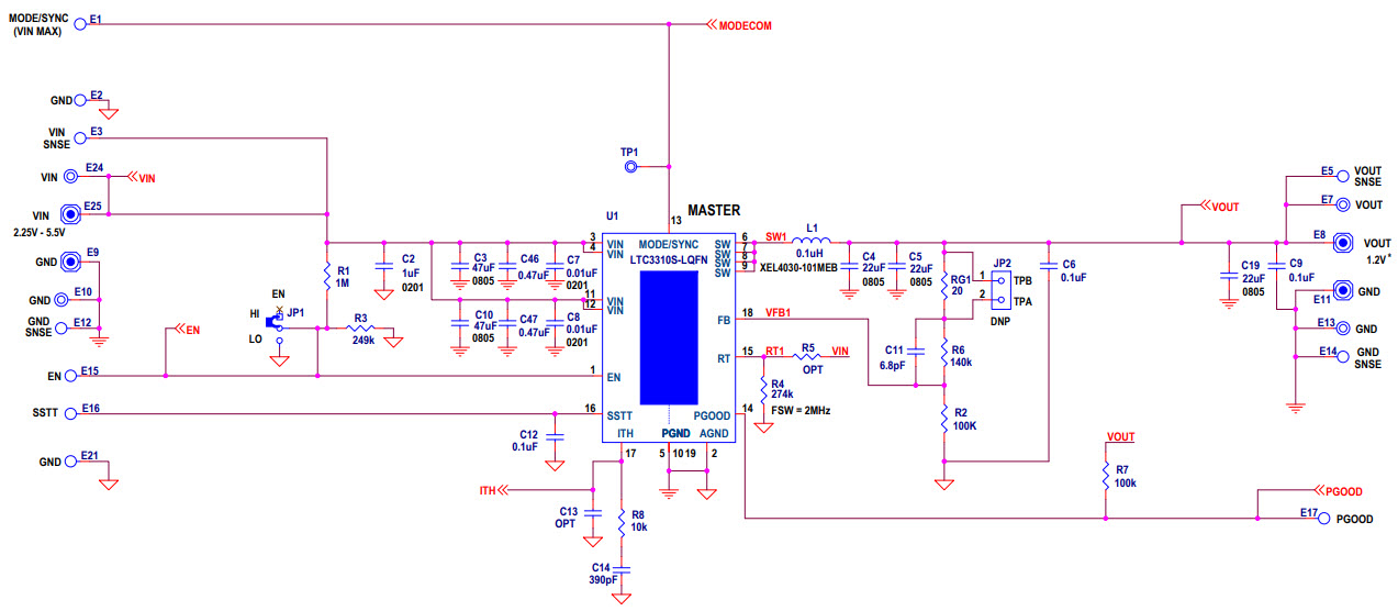
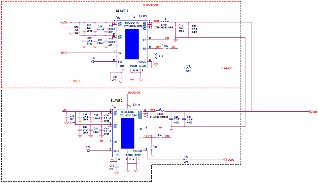
The Analog Devices DC2874A-C Demo Board is a powerful and versatile tool for automotive and transportation applications. It is designed to demonstrate the capabilities of the LTC3310S 5V, 20A Synchronous Step-Down Silent Switcher 2. This demo board features a wide input voltage range of 4.5V to 60V, and can deliver up to 20A of continuous output current. It also includes a wide range of protection features, such as over-voltage, over-current, and short-circuit protection. The board also includes a graphical user interface for easy configuration and monitoring. With its robust design and wide range of features, the DC2874A-C Demo Board is an ideal solution for automotive and transportation applications.
Specifications
Analog Devices, Inc. technical specifications, attributes, parameters and parts with similar specifications to Analog Devices, Inc. .
- TypeParameter
- EU RoHSCompliant
- ECCN (US)EAR99
- HTS8543.70.98.60
- AutomotiveNo
- PPAPNo
- Supported Device TechnologyDC to DC Converter and Switching Regulator Chip
- Output Voltage Range (VDC)1.176 to 1.224
- Output Current (mA)20000
- Input Voltage Range2.25VDC to 5.5VDC
- Switching Frequency (kHz)2000
- Efficiency (%)92.5
- Supported DeviceLTC3310S
- PackageBox
- Base Product NumberDC2874
- MfrAnalog Devices Inc.
- Product StatusActive
- Voltage-Input2.25V ~ 5.5V
- Factory Pack QuantityFactory Pack Quantity1
- ManufacturerAnalog Devices Inc.
- BrandAnalog Devices
- Tool Is For Evaluation OfLTC3310S
- RoHSDetails
- SeriesSilent Switcher®2
- PackagingBulk
- Part StatusActive
- TypeDemonstration Circuit
- SubcategoryDevelopment Tools
- Number of Outputs1
- Output Voltage1.2 V
- Output Current20 A
- Current - Output20A
- Voltage - Output1.2V
- Frequency - Switching2MHz
- Utilized IC / PartLTC3310S
- Supplied ContentsBoard(s)
- Product TypePower Management IC Development Tools
- Board TypeFully Populated
- Main PurposeDC/DC, Step Down
- Outputs and Type1, Non-Isolated
- Regulator TopologyBuck
- ProductDemonstration Boards
- Input Voltage2.25 V to 5.5 V
- Product CategoryPower Management IC Development Tools
0 Similar Products Remaining
Associated Products
| Part Number | Manufacturer | Description | Stock | RFQ |
|---|---|---|---|---|
| Microchip Technology | MICROCHIP - 24LC025-I/ST - SERIAL EEPROM, 2KBIT, 400KHZ, TSSOP-8 | 25 | RFQ |


Product
Brand
Articles
Tools















