Analog Devices Inc. EVAL-AD5111SDZAD5111, DIGITAL POT, EVAL BOARD
Description
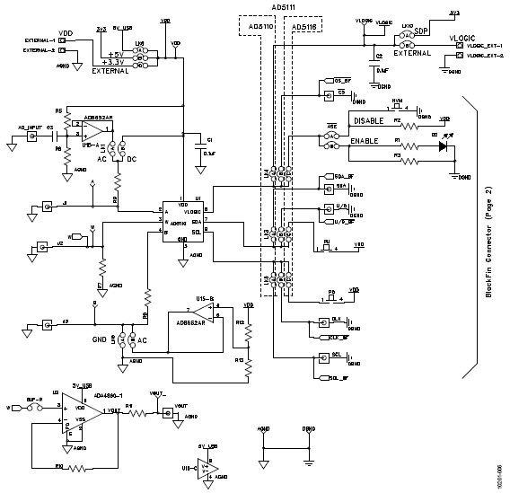
The Analog Devices EVAL-AD5111SDZ Evaluation Board is designed to evaluate the performance of the AD5111 single-channel, 128-position, nonvolatile memory digital potentiometer. This board is ideal for lighting control applications, as it allows for precise control of the brightness of LED lighting. The board features a USB interface for easy connection to a PC, and includes a graphical user interface for easy configuration and control. The board also includes a potentiometer for manual adjustment of the digital potentiometer, as well as a jumper for setting the power-on default value. The board is powered by a 5V DC power supply, and is RoHS compliant.
Specifications
Analog Devices Inc. technical specifications, attributes, parameters and parts with similar specifications to Analog Devices Inc. .
- TypeParameter
- Lifecycle StatusPRODUCTION (Last Updated: 1 week ago)
- Factory Lead Time8 Weeks
- Number of Pins0
- Part StatusActive
- Moisture Sensitivity Level (MSL)1 (Unlimited)
- TypeData Acquisition
- Resistance10kOhm
- Max Operating Temperature125°C
- Base Part NumberAD5111
- FunctionDigital Potentiometer
- Operating Supply Voltage5.5V
- Utilized IC / PartAD5111
- Supplied ContentsBoard(s)
- Evaluation KitYes
- Primary Attributes1 Channel, 128 Position
- EmbeddedNo
- Secondary AttributesSerial Interface
- REACH SVHCNo SVHC
- Radiation HardeningNo
- RoHS StatusROHS3 Compliant
- Lead FreeContains Lead
0 Similar Products Remaining
Technical Documents
Associated Products
| Part Number | Manufacturer | Description | Stock | RFQ |
|---|---|---|---|---|
| Microchip Technology | IC EEPROM 64K I2C 400KHZ 8TDFN | 0 | RFQ | |
| Microchip Technology | IC EEPROM 64KBIT 400KHZ 8TSSOP | 0 | RFQ | |
| Microchip Technology | IC EEPROM 64K I2C 400KHZ 8TSSOP | 0 | RFQ | |
| Microchip Technology | EEPROM 8kx8 - 2.5V | 0 | RFQ | |
| Microchip Technology | EEPROM 8kx8 - 2.5V | 5000 | RFQ | |
| Microchip Technology | MICROCHIP - 24LC64-I/ST - EEPROM, AEC-Q100, 64 Kbit, 8K x 8 bit, Seriell I2C (2-Draht), 400 kHz, TSSOP, 8 Pin(s) | 600 | RFQ | |
| Analog Devices Inc. | Precision Amplifiers 50MHz Low Distort Low Noise CMOS Prec | 0 | RFQ | |
| Microchip | 8K X 8 I2C/2-WIRE SERIAL EEPROM, PDSO8, 3.90 MM, ROHS COMPLIANT, PLASTIC, SOIC-8 | 0 | RFQ | |
| Microchip Technology | MICROCHIP - 24LC64T-I/OT - EEPROM, 64 Kbit, 8K x 8bit, Serial I2C (2-Wire), 400 kHz, SOT-23, 5 Pins | 3000 | RFQ | |
| Microchip Technology | IC EEPROM 64K I2C 400KHZ 8SOIJ | 0 | RFQ | |
| Microchip Technology | 64K 8KX8 2.5V SER EE EXT | 0 | RFQ |
Load more


Product
Brand
Articles
Tools



















