Analog Devices Inc. EVAL-AD5143DBZAD5143DBZ EVALUATION MODULE
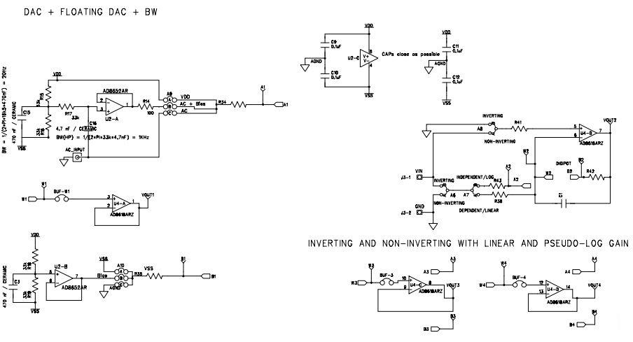
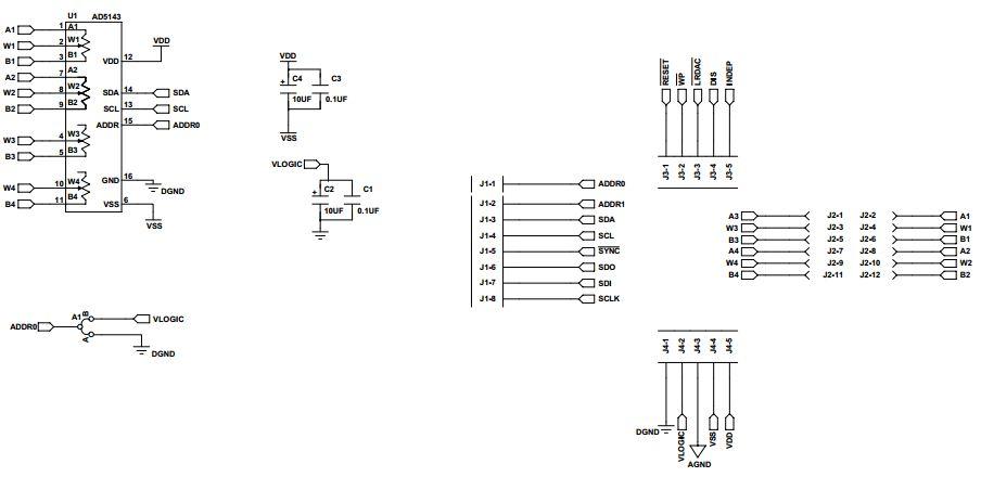
The Analog Devices EVAL-AD5143DBZ Evaluation Board is a versatile tool for evaluating the AD5143 Quad-Channel, 256-Position, Nonvolatile Memory, Digital Potentiometer. This board is designed to provide a platform for testing and evaluating the AD5143 in a variety of applications, such as lighting and display solutions. The board features a 4-channel, 256-position, nonvolatile memory, digital potentiometer, and a variety of other components, such as a power supply, a USB interface, and a graphical user interface. The board also includes a variety of test points and connectors for easy connection to external devices. The board is designed to be used with the AD5143 Evaluation Software, which provides a comprehensive set of features for testing and evaluating the AD5143.
- TypeParameter
- Lifecycle StatusPRODUCTION (Last Updated: 3 weeks ago)
- Factory Lead Time8 Weeks
- Package / CaseModule
- Number of Pins0
- Part StatusActive
- Moisture Sensitivity Level (MSL)1 (Unlimited)
- TypeData Acquisition
- Resistance10kOhm
- Max Operating Temperature125°C
- Base Part NumberAD5143
- FunctionDigital Potentiometer
- Operating Supply Voltage5.5V
- InterfaceI2C
- Utilized IC / PartAD5143
- Supplied ContentsBoard(s)
- Evaluation KitYes
- Primary Attributes4 Channel, 256 Position
- EmbeddedNo
- Secondary AttributesI2C Interface
- REACH SVHCNo SVHC
- RoHS StatusROHS3 Compliant
- Lead FreeContains Lead
| Part Number | Manufacturer | Description | Stock | RFQ |
|---|---|---|---|---|
| Analog Devices Inc. | IC SWITCH DUAL SPDT 10LFCSP | 25 | RFQ |


Product
Brand
Articles
Tools




















