Analog Devices Inc. EVAL-AD5142ADBZANALOG DEVICES EVAL-AD5142ADBZAD5142ADBZ EVALUATION MODULE
Description
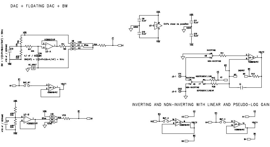
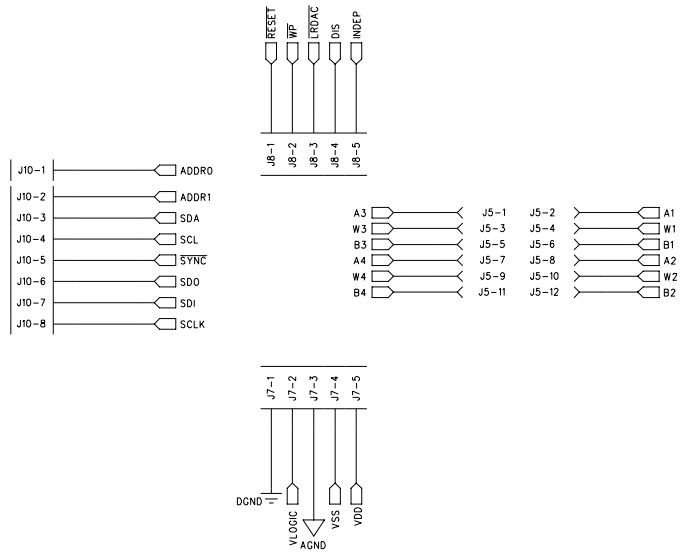
The Analog Devices EVAL-AD5142ADBZ is an evaluation board designed for the AD5142A quad-channel, 256-position, nonvolatile memory, digital potentiometer. This board is ideal for lighting and display solutions, providing a convenient platform for testing and evaluating the performance of the AD5142A. It features four independent potentiometers, each with 256 positions, and a nonvolatile memory that allows for the storage of settings. The board also includes a USB interface for easy connection to a PC, and a graphical user interface for easy configuration and control. The EVAL-AD5142ADBZ is a great tool for engineers and designers looking to quickly and easily evaluate the performance of the AD5142A.
Specifications
Analog Devices Inc. technical specifications, attributes, parameters and parts with similar specifications to Analog Devices Inc. .
- TypeParameter
- Lifecycle StatusPRODUCTION (Last Updated: 3 weeks ago)
- Factory Lead Time8 Weeks
- Package / CaseModule
- Number of Pins0
- Part StatusActive
- Moisture Sensitivity Level (MSL)1 (Unlimited)
- TypeData Acquisition
- Resistance10kOhm
- Max Operating Temperature125°C
- Base Part NumberAD5142
- FunctionDigital Potentiometer
- Operating Supply Voltage5.5V
- InterfaceI2C
- Utilized IC / PartAD5142A
- Supplied ContentsBoard(s)
- Evaluation KitYes
- Primary Attributes2 Channel, 256 Position
- EmbeddedNo
- Secondary AttributesI2C Interface
- REACH SVHCNo SVHC
- RoHS StatusROHS3 Compliant
- Lead FreeContains Lead
0 Similar Products Remaining
Technical Documents
Associated Products
| Part Number | Manufacturer | Description | Stock | RFQ |
|---|---|---|---|---|
| Analog Devices Inc. | ANALOG DEVICES - ADN4694EBRZ - LVDS Driver, Half Duplex, LVDS Transceiver, 150 ps, 24 mA, -40 °C, 85 °C, 3 V | 268 | BUY | |
| Analog Devices Inc. | LVDS Transceiver 0.65V 8-Pin SOIC N T/R | 1000 | BUY |


Product
Brand
Articles
Tools




















