Analog Devices, Inc. EVAL-AD5516-1EBZEvaluation Board For AD5516 Series ,16-Channel, 12-Bit Voltage-Output DAC With 14-Bit Increment Mode
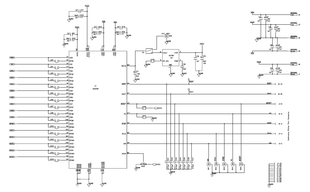
The Analog Devices EVAL-AD5516-1EBZ Evaluation Board is a versatile tool for evaluating the performance of the AD5516-1, a 16-channel serial digital to analog converter. This board is designed for instrumentation and measurement applications, and features a wide range of features to help users evaluate the performance of the AD5516-1. It includes a 16-channel, 16-bit DAC, a 16-channel, 16-bit ADC, a 16-channel, 16-bit digital I/O, and a 16-channel, 16-bit analog I/O. The board also includes a USB interface for easy connection to a PC, and a variety of software tools to help users configure and evaluate the performance of the AD5516-1. The board is also compatible with a variety of development platforms, including Arduino, Raspberry Pi, and BeagleBone.
- TypeParameter
- Number of Pins0
- Max Operating Temperature85°C
- Min Operating Temperature-40°C
- Operating Supply Voltage13.2V
- InterfaceParallel, Serial
- Number of Bits14
- Resolution1.5 B
- Sampling Rate750 ksps
- Evaluation KitYes
- Settling Time32 μs
- Radiation HardeningNo
- RoHS StatusRoHS Compliant
- Lead FreeContains Lead
| Part Number | Manufacturer | Description | Stock | RFQ |
|---|---|---|---|---|
| Analog Devices Inc. | IC DEMOD QUAD 700M2.7GHZ 24LFCSP | 1000 | BUY | |
| Analog Devices Inc. | RFID RF IC | 13 | BUY | |
| Analog Devices, Inc. | 0 | RFQ | ||
| Analog Devices Inc. | IC DETECTOR RF/IF TRUPWR SC70-6 | 7 | RFQ |


Product
Brand
Articles
Tools















