Analog Devices Inc. EVAL-AD5546SDZANALOG DEVICES EVAL-AD5546SDZ AD5546SDZ EVALUATION MODULE
Description
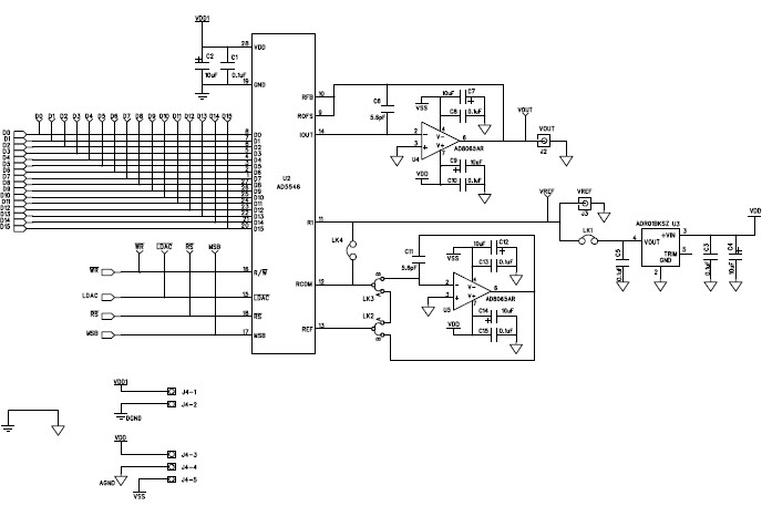
The Analog Devices EVAL-AD5546SDZ is a 16-bit, 2MSPS, 1CH instrumentation and measurement device. It is designed to provide high-precision, low-noise performance for a wide range of instrumentation and measurement applications. It features a wide input range of ±10V, a low noise floor of -90dBV, and a high-speed sampling rate of 2MSPS. The device also includes a wide range of features such as programmable gain, offset, and power-down modes. It is ideal for applications such as data acquisition, signal conditioning, and precision measurement.
Specifications
Analog Devices Inc. technical specifications, attributes, parameters and parts with similar specifications to Analog Devices Inc. .
- TypeParameter
- Lifecycle StatusPRODUCTION (Last Updated: 2 weeks ago)
- Factory Lead Time8 Weeks
- Package / CaseModule
- Number of Pins0
- PackagingBox
- Part StatusActive
- Moisture Sensitivity Level (MSL)1 (Unlimited)
- Max Operating Temperature85°C
- Min Operating Temperature-40°C
- Base Part NumberAD5546
- Operating Supply Voltage5.5V
- InterfaceParallel, USB
- Number of Bits16
- Utilized IC / PartAD5546
- Supplied ContentsBoard(s)
- Data InterfaceParallel
- Resolution2 B
- Sampling Rate2 Msps
- Evaluation KitYes
- Settling Time500ns
- Sampling Rate (Per Second)2M
- Number of DAC Channels1
- DAC TypeCurrent
- RoHS StatusROHS3 Compliant
- REACH SVHCNo SVHC
- Lead FreeContains Lead
0 Similar Products Remaining
Technical Documents
Associated Products
| Part Number | Manufacturer | Description | Stock | RFQ |
|---|---|---|---|---|
| Analog Devices Inc. | SINGLE, 12-/14-/16-BIT NANODAC WITH 5 PPM/DEGREE C ON-CHIP REFERENCE IN SOT-23 | 0 | RFQ | |
| Analog Devices Inc. | IC DAC 12BIT SPI/SRL SOT23-8 | 6000 | BUY | |
| Analog Devices Inc. | DAC 1-CH Resistor-String 12-bit 8-Pin MSOP Tube | 630 | BUY | |
| Analog Devices Inc. | IC DAC 12BIT SPI/SRL 8MSOP | 450 | BUY | |
| Analog Devices Inc. | DAC 1-CH Resistor-String 12-bit 8-Pin SOT-23 T/R | 15000 | BUY | |
| Analog Devices Inc. | IC DAC 12BIT SPI/SRL SOT23-8 | 20 | RFQ | |
| Analog Devices Inc. | IC, 12BIT DAC, 2.5V REF, SMD, MSOP8 | 5785 | RFQ | |
| Analog Devices Inc. | DAC 1-CH Resistor-String 12-bit 8-Pin LFCSP T/R | 0 | RFQ | |
| Analog Devices Inc. | DAC 1-CH Resistor-String 12-bit 8-Pin MSOP Tube | 499 | RFQ | |
| Analog Devices Inc. | DAC 1-CH Resistor-String 12-bit 8-Pin MSOP T/R | 12 | RFQ | |
| Analog Devices Inc. | IC DAC 12BIT SPI/SRL 8MSOP | 25 | BUY |
Load more


Product
Brand
Articles
Tools














