Analog Devices Inc. EVAL-AD5666SDZEVALUATION BOARD I.C.
Description
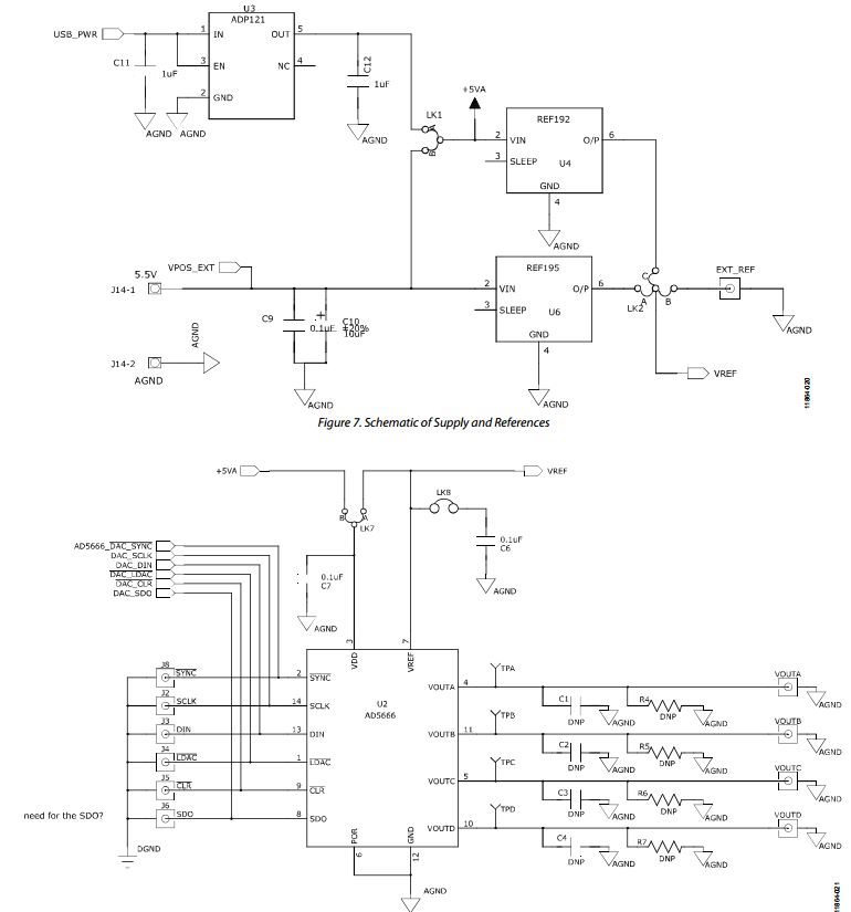
The Analog Devices EVAL-AD5666SDZ Evaluation Board is designed to evaluate the performance of the AD5666, a quad, 16-bit, buffered voltage-output DAC. This board features a power management system that allows for efficient power consumption and a wide range of operating voltages. The board also includes a variety of connectors and jumpers for easy connection to external components. The board is ideal for applications such as motor control, industrial automation, and audio processing.
Specifications
Analog Devices Inc. technical specifications, attributes, parameters and parts with similar specifications to Analog Devices Inc. .
- TypeParameter
- Factory Lead Time8 Weeks
- PackagingBulk
- Part StatusActive
- Moisture Sensitivity Level (MSL)1 (Unlimited)
- Number of Bits16
- Utilized IC / PartAD5666
- Supplied ContentsBoard(s)
- Data InterfaceDSP, Serial, SPI™
- Settling Time6μs
- Number of DAC Channels4
- DAC TypeVoltage
- RoHS StatusROHS3 Compliant
0 Similar Products Remaining
Technical Documents
Associated Products
| Part Number | Manufacturer | Description | Stock | RFQ |
|---|---|---|---|---|
| Analog Devices Inc. | ADC Single Delta-Sigma 470sps 16-bit Serial 24-Pin TSSOP T/R | 10 | RFQ | |
| Analog Devices Inc. | ANALOG DEVICES - AD7795BRUZ - 16BIT ADC,6CH,PGA,SMD TSSOP24 | 0 | RFQ | |
| Microchip | 8K X 8 I2C/2-WIRE SERIAL EEPROM, PDSO8, 3.90 MM, ROHS COMPLIANT, PLASTIC, SOIC-8 | 2095 | BUY | |
| Microchip Technology | EEPROM SERIAL 64K, 24LC64, SOIC8 | 700 | RFQ |


Product
Brand
Articles
Tools















