Analog Devices Inc. EVAL-AD5689RSDZBOARD EVAL FOR AD5689R
Description
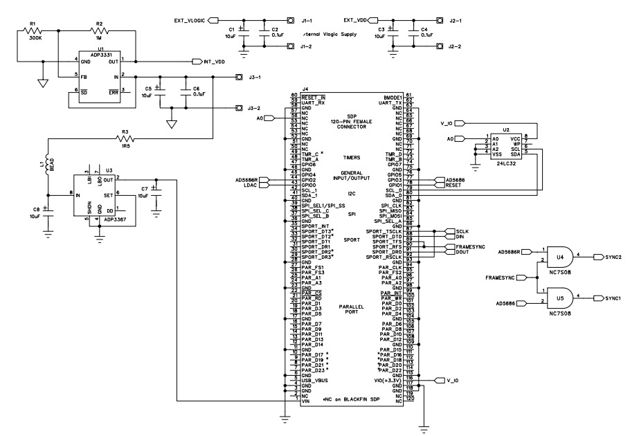
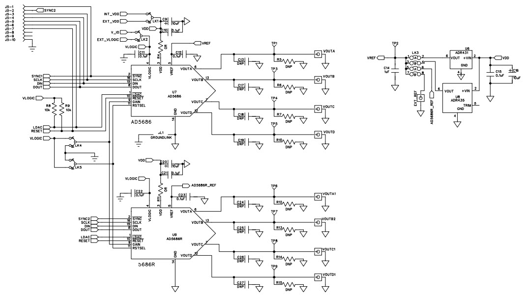
The Analog Devices EVAL-AD5689RSDZ is an evaluation board for the AD5689R, a quad, 16-bit, serial voltage-output digital to analog converter. This board is designed for instrumentation and measurement applications, and provides a convenient platform for evaluating the performance of the AD5689R. It features a wide range of features, including a low-noise power supply, a wide range of input and output connectors, and a variety of test points for easy debugging. The board also includes a USB interface for easy connection to a PC, and a graphical user interface for easy configuration and control. The EVAL-AD5689RSDZ is an ideal solution for evaluating the performance of the AD5689R in instrumentation and measurement applications.
Specifications
Analog Devices Inc. technical specifications, attributes, parameters and parts with similar specifications to Analog Devices Inc. .
- TypeParameter
- Number of Pins0
- PackagingBox
- SeriesnanoDAC+®
- Part StatusObsolete
- Moisture Sensitivity Level (MSL)1 (Unlimited)
- Max Operating Temperature105°C
- Min Operating Temperature-40°C
- Base Part NumberAD5689
- Operating Supply Voltage5.5V
- InterfaceSPI
- Operating Supply Current1.1mA
- Number of Bits16
- Utilized IC / PartAD5689R
- Supplied ContentsBoard(s)
- Data InterfaceSPI
- Resolution2 B
- Evaluation KitYes
- Settling Time5μs
- Number of DAC Channels2
- DAC TypeVoltage
- REACH SVHCNo SVHC
- RoHS StatusROHS3 Compliant
- Lead FreeContains Lead
0 Similar Products Remaining
Technical Documents
Associated Products
| Part Number | Manufacturer | Description | Stock | RFQ |
|---|---|---|---|---|
| Analog Devices Inc. | IC DAC 16BIT SPI QUAD 16TSSOP | 11 | RFQ | |
| Analog Devices Inc. | IC DAC 16BIT SPI QUAD 16LFCSP | 30000 | RFQ | |
| Analog Devices | V-Ref Precision 2.5V 10mA 8-Pin TO-99 | 0 | RFQ | |
| Analog Devices Inc. | ANALOG DEVICES - AD5686ARUZ - DAC, QUAD, 16BIT, 60MHZ SPI, 16TSSOP | 960 | RFQ | |
| Analog Devices Inc. | DAC, QUAD, 12BIT, /-2LSB, SPI, 16TSSOP | 1052 | BUY | |
| Analog Devices Inc. | IC DAC 12BIT SPI QUAD 16LFCSP | 2961 | RFQ | |
| Analog Devices Inc. | IC DAC 12BIT SPI QUAD 16TSSOP | 935 | BUY | |
| Analog Devices Inc. | ANALOG DEVICES AD5684RBRUZDigital to Analogue Converter, Quad, 12 bit, 25 MSPS, Serial, 2.7V to 5.5V, TSSOP, 16 Pins | 2100 | RFQ | |
| Analog Devices Inc. | DAC, QUAD, 12BIT, 60MHZ SPI, 16TSSOP | 1293 | BUY | |
| Analog Devices Inc. | DAC 4-CH Resistor-String 16-bit 16-Pin TSSOP T/R | 2 | RFQ | |
| Analog Devices Inc. | Digital to Analog Converters - DAC IC 16-bit 4-CH w/ SPI INTERFACE | 1000 | BUY |
Load more


Product
Brand
Articles
Tools














