Analog Devices Inc. EVAL-AD7193EBZEVAL BOARD FOR AD7193
Description
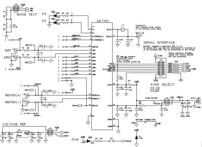
The Analog Devices EVAL-AD7193EBZ is an evaluation board for the AD7193, a 24-bit, 4.8KSPS ADC for medical, instrumentation and measurement applications. This board is designed to provide a platform for evaluating the performance of the AD7193 in a variety of applications. It features a wide range of input ranges, including ±2.5V, ±5V, ±10V, and ±20V, as well as a wide range of output ranges, including 0V to 5V, 0V to 10V, and 0V to 20V. The board also includes a variety of connectors and jumpers for easy connection to external circuitry. Additionally, the board includes a USB interface for easy connection to a PC for data acquisition and control.
Specifications
Analog Devices Inc. technical specifications, attributes, parameters and parts with similar specifications to Analog Devices Inc. .
- TypeParameter
- Lifecycle StatusPRODUCTION (Last Updated: 4 weeks ago)
- Factory Lead Time8 Weeks
- Package / CaseModule
- Number of Pins0
- PackagingBox
- Part StatusActive
- Moisture Sensitivity Level (MSL)1 (Unlimited)
- Max Operating Temperature105°C
- Min Operating Temperature-40°C
- Base Part NumberAD7193
- Operating Supply Voltage5.25V
- InterfaceSPI, Serial
- Number of Bits24
- Utilized IC / PartAD7193
- Supplied ContentsBoard(s), Cable(s)
- Data InterfaceDSP, MICROWIRE™, QSPI™, Serial, SPI™
- Resolution3 B
- Evaluation KitYes
- Number of A/D Converters1
- REACH SVHCNo SVHC
- RoHS StatusROHS3 Compliant
- Lead FreeContains Lead
0 Similar Products Remaining
Technical Documents
Associated Products
| Part Number | Manufacturer | Description | Stock | RFQ |
|---|---|---|---|---|
| Nexperia USA Inc. | IC FF D-TYPE SNGL 8BIT 20TSSOP | 19 | BUY | |
| Analog Devices Inc. | IC, 10BIT DAC DDS 50 MHZ, SMD, 9830 - More Details | 1000 | BUY | |
| Analog Devices Inc. | Direct Digital Synthesizer 50MHz 1-DAC 10-Bit Parallel 48-Pin LQFP T/R | 2412 | BUY |


Product
Brand
Articles
Tools















