Analog Devices Inc. EVAL-AD7195EBZANALOG DEVICES EVAL-AD7195EBZAD7195, ADC, SIGMA-DELTA, EVAL BOARD
Description
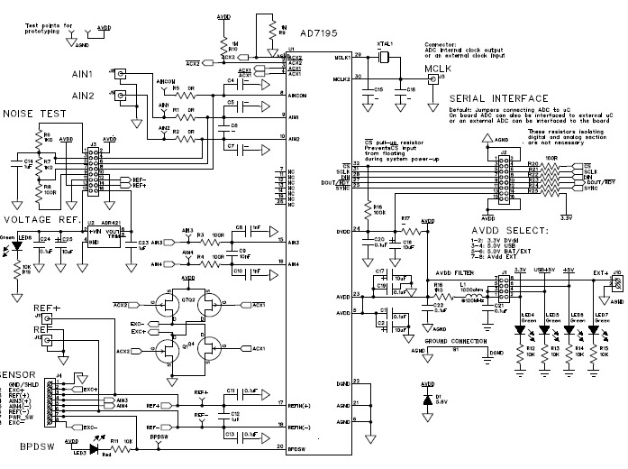
The Analog Devices EVAL-AD7195EBZ is an evaluation board for the AD7195, a 24-bit, 4.8KSPS ADC for medical, instrumentation and measurement applications. It is designed to provide a platform for evaluating the performance of the AD7195 in a variety of applications. The board includes a variety of features such as a low-noise power supply, a precision reference, and a wide range of input and output connectors. It also includes a USB interface for easy connection to a PC for data acquisition and control. The board is ideal for evaluating the performance of the AD7195 in medical, instrumentation and measurement applications.
Specifications
Analog Devices Inc. technical specifications, attributes, parameters and parts with similar specifications to Analog Devices Inc. .
- TypeParameter
- Lifecycle StatusPRODUCTION (Last Updated: 2 weeks ago)
- Factory Lead Time8 Weeks
- MountFront
- Number of Pins0
- Part StatusActive
- Moisture Sensitivity Level (MSL)1 (Unlimited)
- TypeInterface
- Max Operating Temperature105°C
- Min Operating Temperature-40°C
- Base Part NumberAD7195
- FunctionAnalog Front End (AFE)
- Operating Supply Voltage5.25V
- InterfaceSPI
- Utilized IC / PartAD7195
- Supplied ContentsBoard(s)
- Resolution3 B
- Evaluation KitYes
- Secondary AttributesGraphical User Interface, USB Interface
- REACH SVHCNo SVHC
- Radiation HardeningNo
- RoHS StatusROHS3 Compliant
- Lead FreeContains Lead
0 Similar Products Remaining
Technical Documents
Associated Products
| Part Number | Manufacturer | Description | Stock | RFQ |
|---|---|---|---|---|
| Analog Devices Inc. | ANALOG DEVICES AD8021ARMZOperational Amplifier, Single, 200 MHz, 1 Amplifier, 120 V/s,2.25V to12V, MSOP, 8 Pins | 4 | RFQ | |
| Analog Devices Inc. | IC VREF SERIES 4.096V SOT23-3 | 25 | RFQ | |
| Analog Devices Inc. | OP Amp Single Volt Fdbk ±12V/24V 8-Pin MSOP T/R | 675 | RFQ | |
| Analog Devices Inc. | IC VREF SERIES 2.5V SOT23-3 | 39 | BUY | |
| Analog Devices Inc. | ANALOG DEVICES AD8032ARZOperational Amplifier, Dual, 80 MHz, 2 Amplifier, 35 V/s, 2.7V to 12V, SOIC, 8 Pins | 10200 | RFQ | |
| Analog Devices Inc. | ANALOG DEVICES AD8032ARZ-REEL7Operational Amplifier, Dual, 80 MHz, 2 Amplifier, 30 V/s,1.35V to6V, SOIC, 8 Pins | 7566 | RFQ | |
| Analog Devices Inc. | OP Amp Dual Volt Fdbk R-R I/O ±6V/12V 8-Pin MSOP T/R | 238 | RFQ | |
| Analog Devices Inc. | ANALOG DEVICES - AD1580ARTZ-REEL7 - Voltage Reference, Precision, Shunt - Fixed, AD1580 Series, 1.225V, SOT-23-3 | 99 | RFQ | |
| Analog Devices Inc. | Operational Amplifiers - Op Amps 2.7V 800uA 80Mhz RRIO Dual | 1000 | RFQ | |
| Analog Devices Inc. | IC VREF SERIES 0.24% SOT23-3 | 10145 | BUY | |
| Analog Devices Inc. | IC VREF SERIES 0.27% SOT23-3 | 100 | BUY |
Load more


Product
Brand
Articles
Tools

















