Analog Devices Inc. EVAL-AD7634EDZANALOG DEVICES EVAL-AD7634EDZ EVAL BOARD 18BIT DIFF BIPOLAR PULSAR ADC
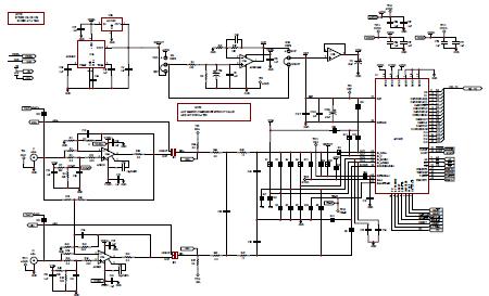
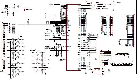
The Analog Devices EVAL-AD7634EDZ is an evaluation board designed for the AD7634 PulSAR 48 Lead ADC, a high-performance, low-power, 16-bit analog-to-digital converter (ADC). This board is ideal for medical and healthcare applications, providing a wide range of features and capabilities. It features a wide input range of 0V to 5V, a low power consumption of only 1.2 mW, and a high sampling rate of up to 1.2 MSPS. The board also includes a variety of features such as a built-in temperature sensor, a programmable gain amplifier, and a low-noise power supply. Additionally, the board is compatible with a variety of software development tools, making it easy to develop and debug applications. The EVAL-AD7634EDZ is an ideal solution for medical and healthcare applications that require high performance and low power consumption.
- TypeParameter
- Lifecycle StatusLAST TIME BUY (Last Updated: 3 weeks ago)
- Number of Pins0
- PackagingBulk
- SeriesPulSAR®
- Part StatusObsolete
- Moisture Sensitivity Level (MSL)1 (Unlimited)
- Max Operating Temperature85°C
- Min Operating Temperature-40°C
- Base Part NumberAD7634
- Operating Supply Voltage15.75V
- InterfaceParallel, SPI, Serial
- Number of Bits18
- Utilized IC / PartAD7634
- Supplied ContentsBoard(s)
- Data InterfaceSerial, Parallel
- Resolution2.25 B
- Sampling Rate670 ksps
- Evaluation KitYes
- Sampling Rate (Per Second)670k
- Number of A/D Converters1
- Input Range±4 x VREF
- REACH SVHCNo SVHC
- RoHS StatusROHS3 Compliant
- Lead FreeContains Lead
| Part Number | Manufacturer | Description | Stock | RFQ |
|---|---|---|---|---|
| Abracon LLC | CRYSTAL 10.0000MHZ 18PF SMD | 25 | BUY | |
| Microchip Technology | MICROCHIP - 24AA256-I/ST - EEPROM, 256 Kbit, 32K x 8bit, Serial I2C (2-Wire), 400 kHz, TSSOP, 8 Pins | 9200 | RFQ | |
| Abracon | Oscillator MEMS 12.288MHz ±10ppm (Stability) 15pF LVCMOS 55% 1.8V/2.5V/3.3V Automotive 4-Pin QFN SMD T/R | 14650 | BUY | |
| Abracon LLC | Crystal 10MHz ±30ppm (Tol) ±100ppm (Stability) 18pF FUND 50Ohm 2-Pin HC-49/US SMD T/R | 1208 | BUY | |
| Analog Devices Inc. | ANALOG DEVICES - AD8606ARZ - Operational Amplifier, Dual, 2 Amplifier, 10 MHz, 5 V/µs, 2.7V to 5.5V, SOIC, 8 Pins | 13758 | RFQ | |
| Analog Devices Inc. | IC CODEC 24BIT 4ADC/8DAC 48LQFP | 10086 | RFQ | |
| Abracon LLC | CRYSTAL 10.0000MHZ 18PF SMD | 17000 | BUY | |
| Abracon LLC | CRYSTAL 10.0000MHZ 18PF SMD | 2170 | BUY | |
| Abracon | Crystal 12.288MHz ±30ppm (Tol) ±50ppm (Stability) 18pF FUND 50Ohm 2-Pin HC-49/US SMD T/R | 0 | RFQ | |
| Abracon | Crystal 10MHz ±50ppm (Tol) ±50ppm (Stability) 18pF FUND 50Ohm 2-Pin HC-49/US SMD T/R | 0 | RFQ | |
| Abracon | Crystal 10MHz ±20ppm (Tol) ±50ppm (Stability) 20pF FUND 50Ohm 2-Pin HC-49/US SMD T/R | 0 | RFQ |


Product
Brand
Articles
Tools






















