Analog Devices Inc. EVAL-AD7765EDZANALOG DEVICES EVAL-AD7765EDZ EVAL BOARD 24BIT 312KSPS 109DB
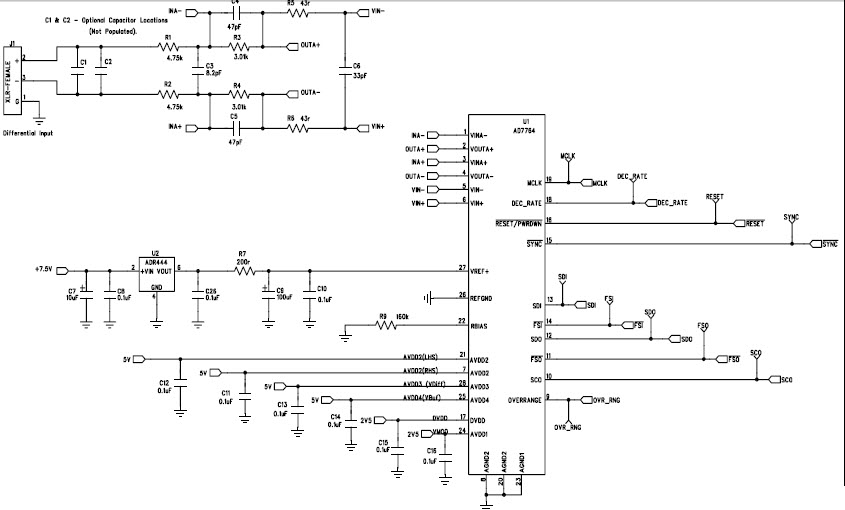
The Analog Devices EVAL-AD7765EDZ is an evaluation board for the AD7765, a 24-bit, 156 KSPS ADC for data acquisition systems, instrumentation, and measurement. It is designed to provide a platform for evaluating the performance of the AD7765 in a variety of applications. The board features a wide range of input and output connectors, allowing for easy connection to external devices. It also includes a USB interface for easy connection to a PC, and a graphical user interface for easy configuration and control. The board is powered by a single 5V supply, and is capable of operating over a wide temperature range. The board also includes a variety of test points and jumpers for easy debugging and troubleshooting.
- TypeParameter
- Lifecycle StatusPRODUCTION (Last Updated: 1 week ago)
- Factory Lead Time8 Weeks
- Number of Pins0
- PackagingBox
- Part StatusActive
- Moisture Sensitivity Level (MSL)1 (Unlimited)
- Max Operating Temperature85°C
- Min Operating Temperature-40°C
- Base Part NumberAD7765
- Operating Supply Voltage5.5V
- InterfaceSPI
- Number of Bits24
- Utilized IC / PartAD7765
- Supplied ContentsBoard(s)
- Data InterfaceSPI
- Resolution3 B
- Sampling Rate156 ksps
- Evaluation KitYes
- Sampling Rate (Per Second)156k
- Number of A/D Converters1
- Input Range±3.2768V
- Power (Typ) @ Conditions300mW @ 156kSPS
- REACH SVHCNo SVHC
- RoHS StatusROHS3 Compliant
- Lead FreeContains Lead
| Part Number | Manufacturer | Description | Stock | RFQ |
|---|---|---|---|---|
| Analog Devices, Inc. | 0 | RFQ | ||
| Analog Devices Inc. | ANALOG DEVICES - ADR444ARZ - Voltage Reference, Ultralow Noise, Series - Fixed, ADR444 Series, 4.096V, NSOIC-8 | 2 | BUY | |
| Analog Devices Inc. | IC SUPERVISOR MPU 2.32V SC70-4 | 33 | RFQ | |
| Texas Instruments | PROTOTYPE | 0 | RFQ | |
| Analog Devices, Inc. | 1049 | RFQ | ||
| Texas Instruments | PROTOTYPE | 0 | RFQ | |
| Analog Devices Inc. | V-Ref Precision 4.096V 10mA 8-Pin SOIC N T/R | 13 | BUY | |
| Omron Electronics Inc-EMC Div | SWITCH TACTILE SPST-NO 0.05A 24V | 622 | RFQ |



















