Analog Devices Inc. EVAL-ADF7023DB4ZBOARD EVALUATION FOR ADF7023
Description
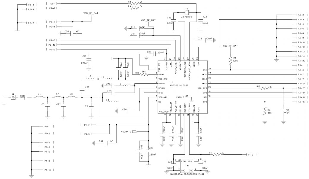
The Analog Devices EVAL-ADF7023DB4Z is a daughter board for the ADF7023 433 - 464 MHz ISM Band Transceiver. It is an evaluation board designed to help engineers evaluate the performance of the ADF7023 transceiver in the Industrial, Scientific, and Medical (ISM) Band. The board includes a variety of features, such as a power amplifier, a low noise amplifier, a voltage regulator, and a variety of connectors for external antennas and other peripherals. It also includes a USB interface for programming and debugging the transceiver. The board is designed to be used with the ADF7023 Evaluation Kit, which includes a GUI-based software package for configuring and testing the transceiver.
Specifications
Analog Devices Inc. technical specifications, attributes, parameters and parts with similar specifications to Analog Devices Inc. .
- TypeParameter
- Lifecycle StatusPRODUCTION (Last Updated: 3 weeks ago)
- Factory Lead Time8 Weeks
- Number of Pins0
- PackagingBulk
- Part StatusActive
- Moisture Sensitivity Level (MSL)1 (Unlimited)
- TypeTransceiver, 802.15.4
- Max Operating Temperature85°C
- Min Operating Temperature-40°C
- Frequency433MHz
- Base Part NumberADF7023
- Operating Supply Voltage3.6V
- InterfaceSPI
- Supplied ContentsBoard(s)
- Evaluation KitYes
- REACH SVHCNo SVHC
- Radiation HardeningNo
- RoHS StatusROHS3 Compliant
- Lead FreeContains Lead
0 Similar Products Remaining
Technical Documents
Associated Products
| Part Number | Manufacturer | Description | Stock | RFQ |
|---|---|---|---|---|
| Analog Devices, Inc. | 0 | RFQ | ||
| Analog Devices Inc. | IC RF TXRX MCU ISM<1GHZ 32WFQFN | 50 | RFQ | |
| Analog Devices Inc. | RF Transceiver FSK/GFSK/OOK 2.5V/3.3V 32-Pin LFCSP EP T/R | 3000 | RFQ | |
| Abracon LLC | CRYSTAL 32.7680KHZ 7PF SMD | 154101 | RFQ |


Product
Brand
Articles
Tools










