Analog Devices Inc. EVAL-ADF7242DB1ZEVAL DAUGHTERBOARD FOR ADF7242
Description
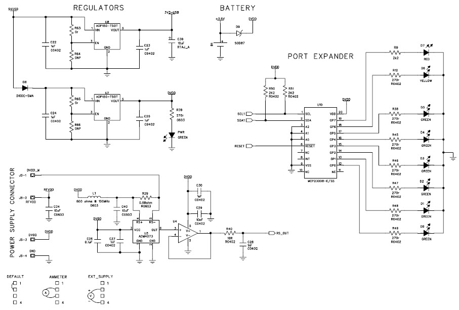
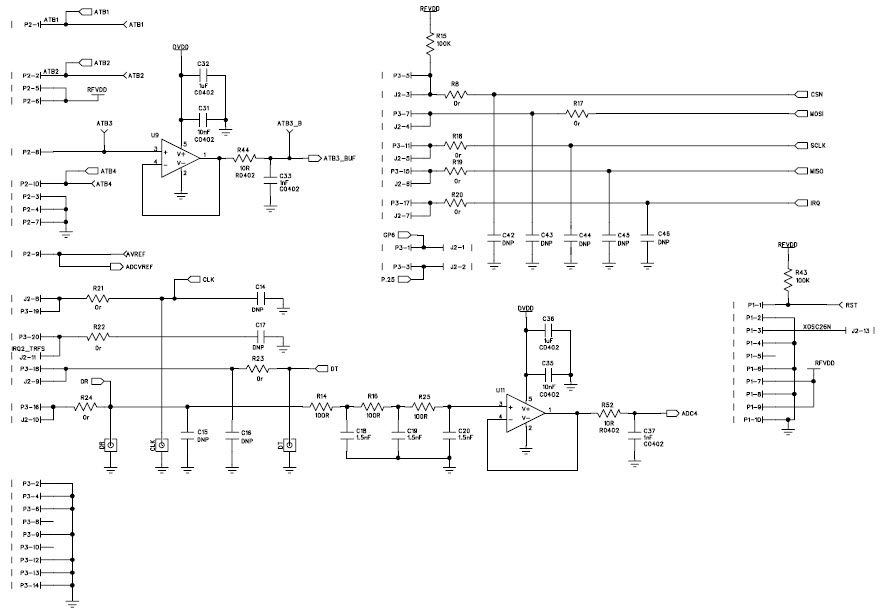
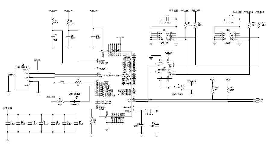
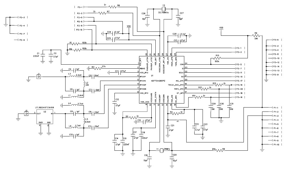
The Analog Devices EVAL-ADF7242DB1Z is a low-power dual-mode zero-IF 2.4GHz transceiver IC designed for consumer electronics applications. It features a low-power, low-noise, and low-cost solution for wireless communication systems. The IC supports both Bluetooth Low Energy (BLE) and IEEE 802.15.4 protocols, allowing for a wide range of applications. It also features a high-performance RF transceiver, a low-power baseband processor, and a low-power power management unit. The IC is designed to provide a reliable and cost-effective solution for wireless communication systems.
Specifications
Analog Devices Inc. technical specifications, attributes, parameters and parts with similar specifications to Analog Devices Inc. .
- TypeParameter
- Lifecycle StatusPRODUCTION (Last Updated: 1 month ago)
- Factory Lead Time8 Weeks
- Package / CaseModule
- Number of Pins0
- Part StatusActive
- Moisture Sensitivity Level (MSL)1 (Unlimited)
- TypeTransceiver, 802.15.4
- Frequency2.4GHz
- Base Part NumberADF7242
- Supplied ContentsBoard(s)
- Evaluation KitYes
- REACH SVHCNo SVHC
- Radiation HardeningNo
- RoHS StatusROHS3 Compliant
- Lead FreeContains Lead
0 Similar Products Remaining
Technical Documents
Associated Products
| Part Number | Manufacturer | Description | Stock | RFQ |
|---|---|---|---|---|
| Murata Electronics | RF Filter Low Pass 2450MHz Frequency 50MHz 0.4dB SMD 6Pin 0603 | 40000 | RFQ | |
| Abracon LLC | CRYSTAL 32.7680KHZ 7PF SMD | 154101 | RFQ | |
| Analog Devices Inc. | IC RF TXRX MCU 802.15.4 32-WFQFN | 857 | BUY | |
| Analog Devices Inc. | RF Transceiver FSK/GFSK 3V 32-Pin LFCSP EP T/R | 5000 | BUY |


Product
Brand
Articles
Tools















