Analog Devices Inc. EVAL-ADG788EBZADG788 Analog Switch Multiplexer Evaluation Board
Description
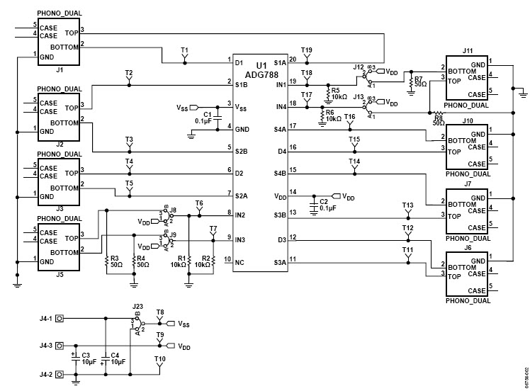
The Analog Devices EVAL-ADG788EBZ is an evaluation board for the ADG788 triple SPDT analog switch. This board is designed for use in data acquisition systems, audio switching, and signal routing applications. It features a low on-resistance of 0.8Ω and low power consumption of 1.2mW. The board also includes a wide operating voltage range of 2.7V to 5.5V and a low charge injection of 0.2pC. The board is designed to be used with the ADG788 switch and includes a variety of test points and connectors for easy evaluation. The board also includes a user guide and a schematic diagram for easy setup and use.
Specifications
Analog Devices Inc. technical specifications, attributes, parameters and parts with similar specifications to Analog Devices Inc. .
- TypeParameter
- Lifecycle StatusPRODUCTION (Last Updated: 1 month ago)
- Factory Lead Time8 Weeks
- Package / CaseModule
- Number of Pins0
- Part StatusActive
- Moisture Sensitivity Level (MSL)1 (Unlimited)
- TypeInterface
- Max Operating Temperature85°C
- Min Operating Temperature-40°C
- Base Part NumberADG788
- FunctionAnalog Switch
- Operating Supply Voltage2.5V
- Utilized IC / PartADG788
- Supplied ContentsBoard(s)
- Evaluation KitYes
- REACH SVHCNo SVHC
- RoHS StatusROHS3 Compliant
- Lead FreeContains Lead
0 Similar Products Remaining
Technical Documents
Associated Products
| Part Number | Manufacturer | Description | Stock | RFQ |
|---|---|---|---|---|
| Analog Devices Inc. | IC TXRX 1/1 RS485 50MBPS 8MSOP | 464 | BUY |


Product
Brand
Articles
Tools














