Analog Devices Inc. EVAL-ADuC7023QSPZPRECISION ANALOG MICROCONTROLLER, 12-BIT ANALOG I/O, ARM7TDMI MCU WITH ENHANCED IRQ HANDLER
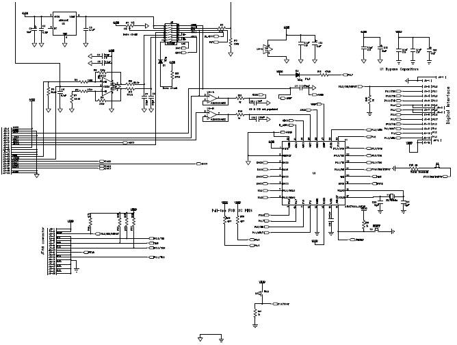
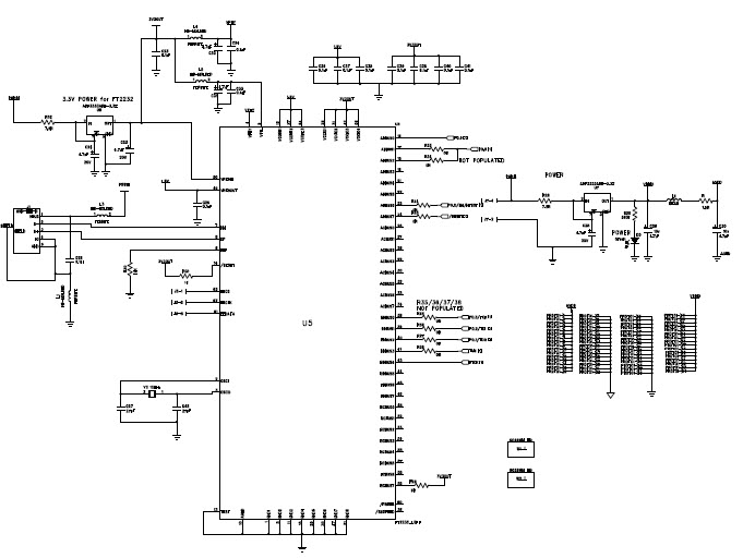
The Analog Devices EVAL-ADuC7023QSPZ is an evaluation board designed for evaluating the Micro-Converter ADuC7023 Development System. It is a powerful tool for industrial automation and data acquisition applications. The board features a 32-bit ARM Cortex-M3 processor, a wide range of analog and digital peripherals, and a variety of communication interfaces. It also includes a graphical user interface (GUI) for easy configuration and programming. The board is designed to be used with the ADuC7023 Development System, which provides a comprehensive set of development tools and software libraries for creating custom applications. The board is also compatible with a variety of third-party development tools, making it an ideal platform for rapid prototyping and development.
- TypeParameter
- Factory Lead Time8 Weeks
- Lifecycle StatusPRODUCTION (Last Updated: 3 weeks ago)
- Mounting TypeFixed
- Number of Pins0
- SeriesMicroConverter®
- PackagingBulk
- Part StatusActive
- Moisture Sensitivity Level (MSL)1 (Unlimited)
- TypeMCU 32-Bit
- Max Operating Temperature105°C
- Min Operating Temperature-40°C
- Base Part NumberADUC7023
- Operating Supply Voltage3.6V
- InterfaceSerial, USB
- Core ProcessorARM7
- Data Bus Width32b
- Utilized IC / PartADuC7023
- Resolution1.5 B
- Evaluation KitYes
- Core ArchitectureARM
- ContentsBoard(s), Cable(s), mIDAS-Link Programmer
- Board TypeEvaluation Platform
- Number of UART Channels0
- PlatformQuickStart™ PLUS
- RoHS StatusROHS3 Compliant
- REACH SVHCNo SVHC
- Lead FreeContains Lead
| Part Number | Manufacturer | Description | Stock | RFQ |
|---|---|---|---|---|
| Analog Devices Inc. | SP Amp DIFF AMP Single ±5.5V/11V Automotive 8-Pin MSOP T/R | 3000 | RFQ | |
| Analog Devices Inc. | ANALOG DEVICES - AD8132ARMZ - IC, DIFF AMP, SINGLE, 350MHZ, 8MSOP | 30 | RFQ | |
| Analog Devices Inc. | Low Noise Micropower Precision Voltage Reference, 8 Pin SOIC | 220657 | RFQ | |
| Analog Devices Inc. | MCU 16-bit/32-bit ADuC7xxx ARM7TDMI RISC 62KB Flash 3.3V 32-Pin LFCSP EP | 5 | RFQ | |
| Analog Devices Inc. | SP Amp DIFF AMP Single ±5.5V/11V Automotive 8-Pin MSOP T/R | 3000 | RFQ | |
| FTDI, Future Technology Devices International Ltd | IC USB HS DUAL UART/FIFO 64-LQFP | 11 | RFQ | |
| Analog Devices Inc. | IC OPAMP GP 10MHZ RRO 8SOIC | 1340 | RFQ | |
| Analog Devices Inc. | ANALOG DEVICES - AD8606ARZ - Operational Amplifier, Dual, 2 Amplifier, 10 MHz, 5 V/µs, 2.7V to 5.5V, SOIC, 8 Pins | 13758 | RFQ | |
| Analog Devices Inc. | IC OPAMP GP 10MHZ RRO 8SOIC | 2500 | RFQ | |
| Analog Devices Inc. | V-Ref Precision 2.5V 5mA 8-Pin SOIC N T/R | 2458 | BUY | |
| FTDI, Future Technology Devices International Ltd | IC USB HS DUAL UART/FIFO 64-LQFP | 5000 | BUY |


Product
Brand
Articles
Tools



















