Microchip Technology DM320007-CPIC32 STARTER KIT W/ FPU PIC32MZ
Description
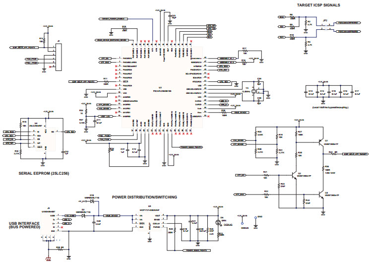
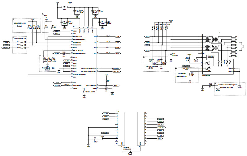
The Microchip Technology DM320007-C PIC32MZ Embedded Connectivity with Floating Point Unit (FPU) Crypto Starter Kit Using PIC32MZ2048EFM144-I/PH is a comprehensive development platform for consumer electronics applications. It features a PIC32MZ2048EFM144-I/PH microcontroller with a Floating Point Unit (FPU) and a Crypto Authentication module. The kit includes a USB-based debugger, a USB-to-UART bridge, an Ethernet port, and a microSD card slot. It also includes a variety of development tools, such as the MPLAB X Integrated Development Environment (IDE), the MPLAB Harmony Configurator (MHC), and the MPLAB Code Configurator (MCC). The kit is ideal for developing applications such as home automation, security systems, and medical devices.
Specifications
Microchip Technology technical specifications, attributes, parameters and parts with similar specifications to Microchip Technology .
- TypeParameter
- Factory Lead Time14 Weeks
- Mounting TypeFixed
- Number of Pins40
- SeriesPIC®
- Published2015
- Part StatusActive
- Moisture Sensitivity Level (MSL)1 (Unlimited)
- TypeMCU 32-Bit
- Number of Bits32
- Core ProcessorMIPS32® M4K™
- Utilized IC / PartPIC32MZ
- Evaluation KitYes
- Core ArchitecturePIC
- ContentsBoard(s)
- Board TypeEvaluation Platform
- PlatformPIC32 Starter Kit with FPU
- REACH SVHCNo SVHC
- RoHS StatusROHS3 Compliant
- Lead FreeLead Free
0 Similar Products Remaining
Technical Documents
Associated Products
| Part Number | Manufacturer | Description | Stock | RFQ |
|---|---|---|---|---|
| Microchip Technology | IC MCU 16BIT 256KB FLASH 64TQFP | 160 | RFQ | |
| Microchip Technology | MICROCHIP - 25LC256-I/ST - SERIAL EEPROM, 256KBIT, 10MHZ, TSSOP-8 | 0 | RFQ | |
| Microchip Technology | Small Footprint Mii/rmii 10/100 Energy Efficient Ethernet Transceiver 32 QFN 5X5X0.9MM T/r | 0 | RFQ | |
| Kyocera International Inc. Electronic Components | CRYSTAL 24.0000MHZ 8PF SMD | 0 | RFQ | |
| Microchip Technology | Flash Serial 3V 32Mbit 32M x 1Bit 8-Pin SOIJ | 0 | RFQ | |
| Microchip Technology | MII/RMII 10/100 Energy Efficient Ethernet Transceiver with flexPWR Technology | 0 | BUY | |
| Microchip Technology | IC REG LINEAR 3.3V 1.5A 8DFN | 0 | RFQ | |
| Microchip Technology | IC REG SWITCHD CAP PROG 8MSOP | 0 | RFQ | |
| Abracon LLC | MEMS OSC XO 50.0000MHZ CMOS SMD | 0 | RFQ | |
| Abracon LLC | MEMS OSC XO 24.0000MHZ LVCMOS | 0 | RFQ |


Product
Brand
Articles
Tools












































