Analog Devices Inc. EVAL-ADUC7023QSPZ1ADUC7023 Microcontroller Development Kit 0.032768MHz CPU 8KB RAM 64KB Flash
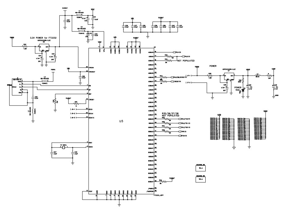
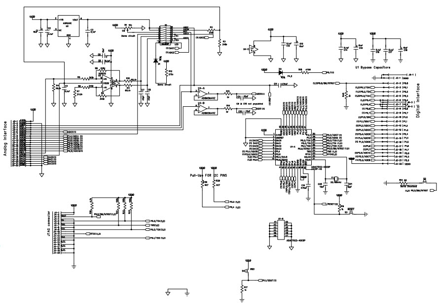
The Analog Devices EVAL-ADUC7023QSPZ1 is an evaluation board designed for evaluating the Micro-Converter ADuC7023 Development System and Industrial Control System. It is a complete development system that includes a 32-bit ARM Cortex-M3 processor, a wide range of analog and digital peripherals, and a comprehensive software package. The board features a wide range of analog and digital peripherals, including a 12-bit ADC, a 12-bit DAC, a 12-bit PWM, a 12-bit timer, a 12-bit counter, a 12-bit comparator, and a 12-bit watchdog timer. It also includes a USB 2.0 interface, a JTAG interface, and a serial port. The board is designed to be used with the Analog Devices ADuC7023 development system, which includes a comprehensive software package for programming and debugging the board. The board is ideal for applications such as motor control, industrial automation, and data acquisition.
- TypeParameter
- Lifecycle StatusPRODUCTION (Last Updated: 2 weeks ago)
- Factory Lead Time8 Weeks
- Mounting TypeFixed
- Number of Pins0
- PackagingBulk
- SeriesMicroConverter®
- Part StatusActive
- Moisture Sensitivity Level (MSL)1 (Unlimited)
- TypeMCU 32-Bit
- Max Operating Temperature105°C
- Min Operating Temperature-40°C
- Base Part NumberADUC7023
- Operating Supply Voltage3.6V
- InterfaceSerial, USB
- Number of Bits32
- Core ProcessorARM7
- Data Bus Width32b
- Utilized IC / PartADuC7023
- Resolution1.5 B
- Evaluation KitYes
- Core ArchitectureARM
- ContentsBoard(s), Cable(s), mIDAS-Link Programmer
- Board TypeEvaluation Platform
- Number of UART Channels0
- PlatformQuickStart™ PLUS
- REACH SVHCNo SVHC
- Radiation HardeningNo
- RoHS StatusROHS3 Compliant
- Lead FreeContains Lead
| Part Number | Manufacturer | Description | Stock | RFQ |
|---|---|---|---|---|
| Analog Devices Inc. | SP Amp DIFF AMP Single ±5.5V/11V Automotive 8-Pin MSOP T/R | 3000 | RFQ | |
| Analog Devices Inc. | ANALOG DEVICES - AD8132ARMZ - IC, DIFF AMP, SINGLE, 350MHZ, 8MSOP | 30 | RFQ | |
| Analog Devices Inc. | Low Noise Micropower Precision Voltage Reference, 8 Pin SOIC | 0 | RFQ | |
| Analog Devices Inc. | SP Amp DIFF AMP Single ±5.5V/11V Automotive 8-Pin MSOP T/R | 0 | RFQ | |
| FTDI, Future Technology Devices International Ltd | IC USB HS DUAL UART/FIFO 64-LQFP | 5365 | BUY | |
| Analog Devices Inc. | IC OPAMP GP 10MHZ RRO 8SOIC | 1340 | RFQ | |
| Analog Devices Inc. | IC MCU 32BIT 62KB FLASH 40LFCSP | 0 | RFQ | |
| Analog Devices Inc. | ANALOG DEVICES - AD8606ARZ - Operational Amplifier, Dual, 2 Amplifier, 10 MHz, 5 V/µs, 2.7V to 5.5V, SOIC, 8 Pins | 0 | RFQ | |
| Analog Devices Inc. | IC OPAMP GP 10MHZ RRO 8SOIC | 0 | RFQ | |
| Analog Devices Inc. | V-Ref Precision 2.5V 5mA 8-Pin SOIC N T/R | 0 | RFQ | |
| FTDI, Future Technology Devices International Ltd | IC USB HS DUAL UART/FIFO 64-LQFP | 0 | RFQ |


Product
Brand
Articles
Tools

















