Infineon IRAC27951SR-240WIRS27951 Resonant Half-Bridge Power Supply Design Kit
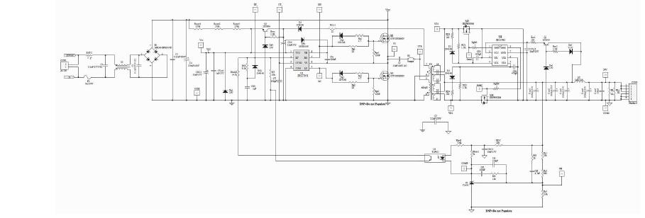
The Infineon Technologies AG IRAC27951SR-240W Evaluation Board is a powerful and versatile tool for evaluating the performance of the IRS27951 Resonant Half Bridge controller. This board features a high-performance audio amplifier, allowing users to test the controller's capabilities in a wide range of audio applications. The board also includes a variety of other features, such as a power supply, a voltage regulator, and a temperature sensor, making it an ideal choice for evaluating the controller's performance in a variety of conditions. The board is also designed to be easy to use, with a user-friendly interface and comprehensive documentation. With its robust design and comprehensive features, the Infineon Technologies AG IRAC27951SR-240W Evaluation Board is an ideal choice for evaluating the performance of the IRS27951 Resonant Half Bridge controller.


Product
Brand
Articles
Tools








