Linear Technology/Analog Devices DC1087ABOARD DEMO FOR LTC3546UFD
Description
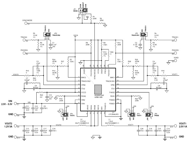
The Analog Devices DC1087A-A LTC3546UFD Demo Board is a dual synchronous configurable step down DC/DC regulator designed for use in computers and peripherals. It is capable of providing up to 3A/1A or 2A/2A of power, and features a wide input voltage range of 4.5V to 28V. The board also includes a wide range of features such as adjustable output voltage, programmable switching frequency, and adjustable soft-start. It is designed to be easy to use and provides a reliable and efficient power solution for a variety of applications.
Specifications
Linear Technology/Analog Devices technical specifications, attributes, parameters and parts with similar specifications to Linear Technology/Analog Devices .
- TypeParameter
- Lifecycle StatusPRODUCTION (Last Updated: 1 month ago)
- Factory Lead Time8 Weeks
- Number of Pins0
- Part StatusActive
- Moisture Sensitivity Level (MSL)1 (Unlimited)
- Voltage - Output1.2V 2.5V
- Frequency - Switching1.5MHz
- Utilized IC / PartLTC3546
- Supplied ContentsBoard(s)
- Board TypeFully Populated
- Main PurposeDC/DC, Step Down
- Outputs and Type2, Non-Isolated
- Regulator TopologyBuck
- RoHS StatusROHS3 Compliant
0 Similar Products Remaining
Technical Documents


Product
Brand
Articles
Tools




