Linear Technology/Analog Devices DC1162A-ALTC4223-1 DUAL SUPPLY HOTSWAP CO
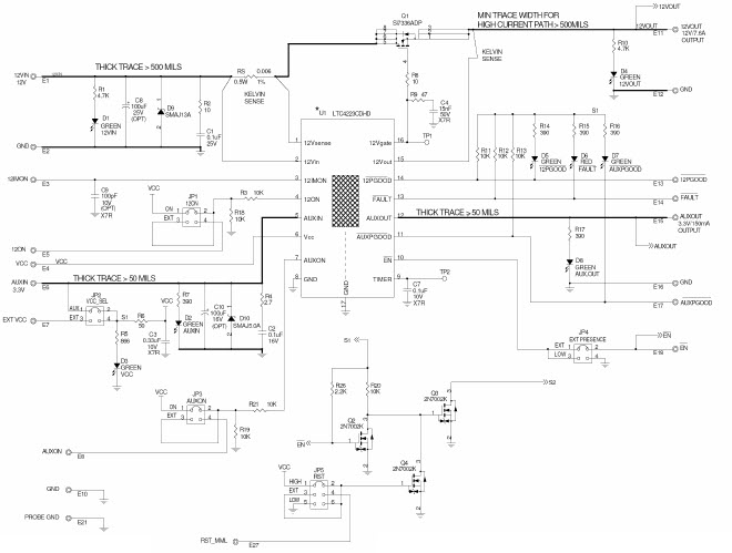
The Analog Devices DC1162A-A, LTC4223-1 Demo Board is a dual supply hot-swap controller for AMC (Latch Off After Fault) communications and telecom applications. It is designed to provide a safe and reliable power supply for sensitive electronic components. The board features a hot-swap controller with a wide input voltage range, adjustable current limit, and adjustable soft-start time. It also includes a fault detection circuit that will latch off the power supply after a fault is detected. The board is designed to be used with a wide variety of power supplies, including AC/DC, DC/DC, and DC/AC. It is also compatible with a variety of communication and telecom systems, including Ethernet, Wi-Fi, and cellular networks. The board is easy to use and provides a reliable and safe power supply for sensitive electronic components.
- TypeParameter
- Factory Lead Time8 Weeks
- Part StatusActive
- Moisture Sensitivity Level (MSL)1 (Unlimited)
- TypePower Management
- FunctionHot Swap Controller
- Utilized IC / PartLTC4223-1
- Supplied ContentsBoard(s)
- Primary AttributesLatch-Off
- RoHS StatusROHS3 Compliant
| Part Number | Manufacturer | Description | Stock | RFQ |
|---|---|---|---|---|
| Analog Devices | Linear Battery Charger NiCd/NiMH 2000mA -0.3V to 10.3V 16-Pin TSSOP EP T/R | 0 | RFQ | |
| Analog Devices | Linear Battery Charger NiCd/NiMH 2000mA -0.3V to 10.3V 16-Pin TSSOP EP | 193 | RFQ |


Product
Brand
Articles
Tools









