Linear Technology/Analog Devices DC1186ABOARD SAR ADC LTC2308
Description
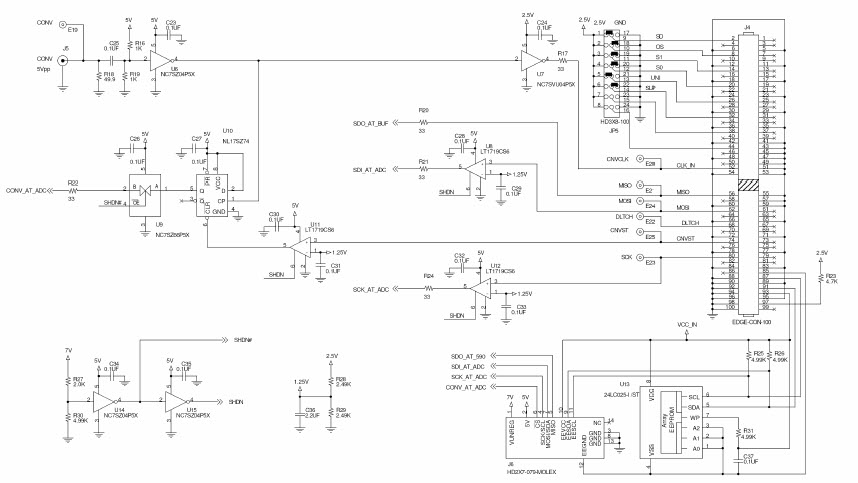
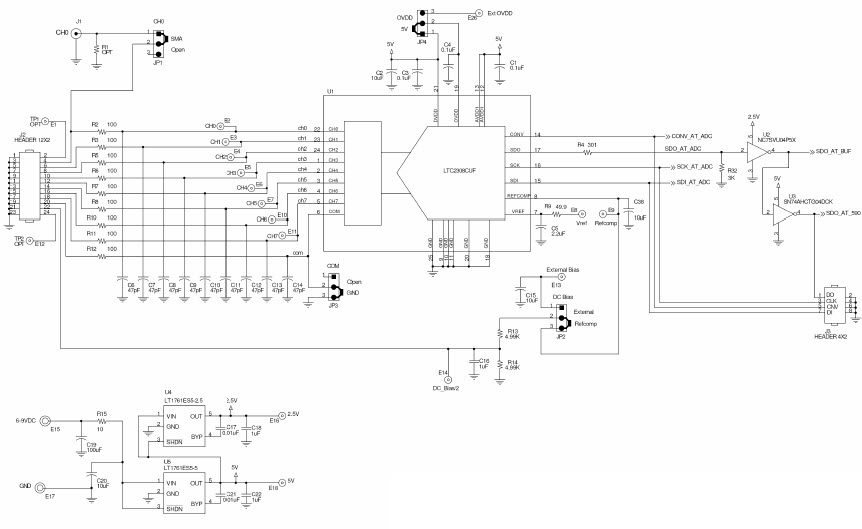
The Analog Devices DC1186A-A LTC2308 Demo Board is a 12-bit, 8-channel SAR ADC with SPI I/F, Instrumentation and Measurement. It is designed to provide a comprehensive platform for evaluating the performance of the LTC2308 SAR ADC. The board features a wide range of input ranges, including ±10V, ±5V, ±2.5V, and ±1.25V, and can be used for a variety of applications, such as data acquisition, instrumentation, and measurement. The board also includes a USB-to-SPI interface, allowing for easy connection to a PC for data acquisition and control. The board also includes a variety of test points and connectors, allowing for easy connection to external circuitry. The board is powered by a single 5V supply and is RoHS compliant.
Specifications
Linear Technology/Analog Devices technical specifications, attributes, parameters and parts with similar specifications to Linear Technology/Analog Devices .
- TypeParameter
- Lifecycle StatusPRODUCTION (Last Updated: 3 weeks ago)
- Factory Lead Time8 Weeks
- Number of Pins0
- PackagingBox
- Published2007
- Part StatusActive
- Moisture Sensitivity Level (MSL)1 (Unlimited)
- InterfaceSPI, Serial
- Number of Bits12
- Utilized IC / PartLTC2308
- Supplied ContentsBoard(s)
- Data InterfaceMICROWIRE™, Serial, SPI™
- Sampling Rate500 ksps
- Evaluation KitYes
- Sampling Rate (Per Second)500k
- Number of A/D Converters1
- REACH SVHCNo SVHC
- RoHS StatusROHS3 Compliant
0 Similar Products Remaining
Technical Documents
Associated Products
| Part Number | Manufacturer | Description | Stock | RFQ |
|---|---|---|---|---|
| Analog Devices, Inc. | 0 | RFQ | ||
| Analog Devices, Inc. | 0 | RFQ | ||
| Analog Devices, Inc. | 0 | RFQ | ||
| Analog Devices, Inc. | 0 | RFQ |


Product
Brand
Articles
Tools
















