Linear Technology/Analog Devices DC1433ABOARD DEMO FOR LT3070EUFD
Description
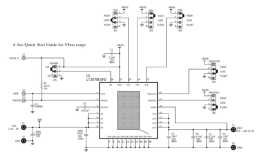
The Analog Devices DC1433A-A LT3070EUFD Demo Board is a 5A, low noise, programmable output, very low dropout linear regulator designed for use with computers and peripherals. It features a wide input voltage range of 2.5V to 20V, and a low dropout voltage of 0.2V. The board also includes a programmable output voltage range of 0.8V to 20V, and a low noise output of 10uVrms. It is designed to provide a stable and reliable power supply for a wide range of applications, and is ideal for use in high-performance computing systems.
Specifications
Linear Technology/Analog Devices technical specifications, attributes, parameters and parts with similar specifications to Linear Technology/Analog Devices .
- TypeParameter
- Lifecycle StatusPRODUCTION (Last Updated: 2 weeks ago)
- Factory Lead Time8 Weeks
- Number of Pins0
- Voltage-Input1.32V~3V
- PackagingBox
- Part StatusActive
- Moisture Sensitivity Level (MSL)1 (Unlimited)
- Current - Output5A
- Voltage - Output1.2V
- Utilized IC / PartLT3070
- Supplied ContentsBoard(s)
- Regulator TypePositive Adjustable
- Board TypeFully Populated
- Channels per IC1 - Single
- RoHS StatusROHS3 Compliant
0 Similar Products Remaining
Technical Documents
Associated Products
| Part Number | Manufacturer | Description | Stock | RFQ |
|---|---|---|---|---|
| Infineon Technologies | Trans GP BJT NPN 4V 0.05A 4-Pin(3 Tab) SOT-343 T/R | 16311 | BUY |


Product
Brand
Articles
Tools









