Linear Technology/Analog Devices DC1453ABOARD EVAL LTM4619
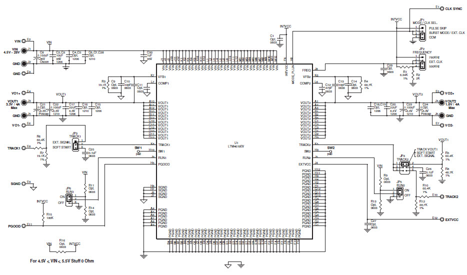
The Analog Devices DC1453A-A, LTM4619EV Demo Board is a 26V, dual 4A module regulator with tracking and power management capabilities. It is designed to provide a high level of efficiency and performance for a wide range of applications. The board features two independent 4A regulators with tracking and power management capabilities, allowing for precise control of the output voltage and current. It also features a wide input voltage range of 4.5V to 26V, making it suitable for a variety of applications. The board also includes a variety of protection features, such as over-voltage, over-current, and short-circuit protection, to ensure reliable operation. The board is also designed to be easy to use, with a simple user interface and intuitive controls.
- TypeParameter
- Lifecycle StatusPRODUCTION (Last Updated: 2 weeks ago)
- Factory Lead Time8 Weeks
- Package / CaseModule
- Number of Pins0
- SeriesµModule®
- Published2009
- Part StatusActive
- Moisture Sensitivity Level (MSL)1 (Unlimited)
- Base Part NumberLTM4619
- Operating Supply Voltage28V
- Voltage - Output1.8V 3.3V
- Frequency - Switching500kHz
- Utilized IC / PartLTM4619
- Supplied ContentsBoard(s)
- Evaluation KitYes
- Board TypeFully Populated
- Main PurposeDC/DC, Step Down
- Outputs and Type2, Non-Isolated
- Regulator TopologyBuck
- REACH SVHCNo SVHC
- RoHS StatusNon-RoHS Compliant


Product
Brand
Articles
Tools














