Linear Technology/Analog Devices DC1552ABOARD DEMO FOR LT8500EUHH
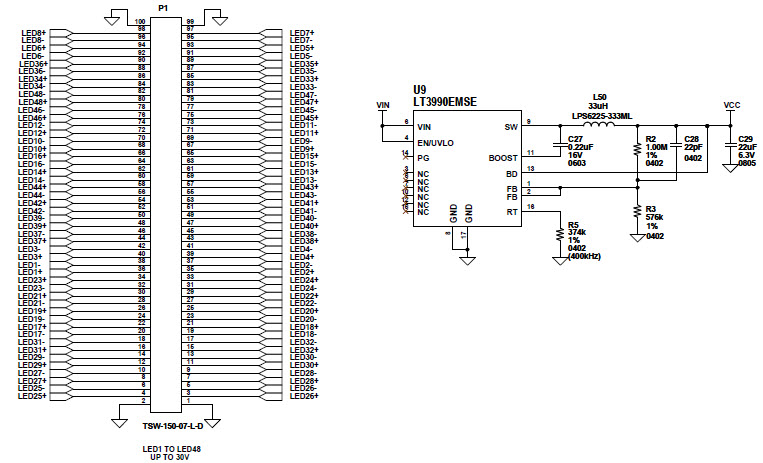
The Analog Devices DC1552A-A, LT8500EUHH Demo Board is a 48-channel LED driver with PWM generator and serial interface, instrumentation and measurement. It is designed to provide a comprehensive platform for evaluating the performance of the LT8500EUHH LED driver. The board features a wide range of features, including a PWM generator, serial interface, and instrumentation and measurement capabilities. The PWM generator allows for precise control of the LED brightness, while the serial interface allows for easy communication with the LED driver. The instrumentation and measurement capabilities allow for accurate monitoring of the LED driver's performance. The board also includes a variety of connectors and jumpers for easy connection to external devices. The DC1552A-A, LT8500EUHH Demo Board is an ideal solution for evaluating the performance of the LT8500EUHH LED driver.
- TypeParameter
- Lifecycle StatusPRODUCTION (Last Updated: 3 weeks ago)
- Factory Lead Time8 Weeks
- Number of Pins0
- PackagingBox
- Part StatusActive
- Moisture Sensitivity Level (MSL)1 (Unlimited)
- Voltage - Output32V
- Utilized IC / PartLT3595A, LT8500
- Supplied ContentsBoard(s)
- Outputs and Type48, Non-Isolated
- RoHS StatusROHS3 Compliant
| Part Number | Manufacturer | Description | Stock | RFQ |
|---|---|---|---|---|
| Analog Devices, Inc. | 0 | RFQ | ||
| Analog Devices, Inc. | 0 | RFQ | ||
| Analog Devices, Inc. | 0 | RFQ | ||
| ON Semiconductor | Transistor Output Optocouplers 8-Pin Optocoupler Phototransistor | 18060 | BUY |


Product
Brand
Articles
Tools

















