Linear Technology/Analog Devices DC1678A-BBOARD DAC LTC2654-16
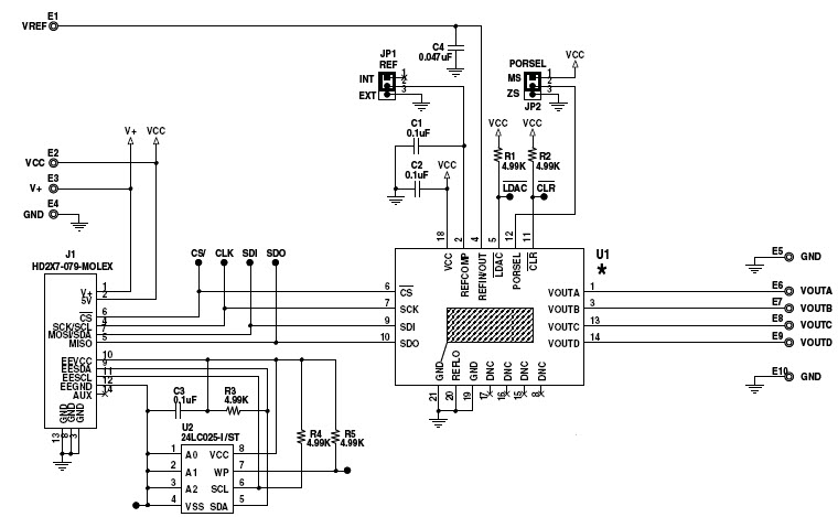
The Analog Devices DC1678A-B Demo Board is designed to demonstrate the capabilities of the LTC2654BCUF-H16 Quad SPI 16-bit Voltage Output Digital to Analog Converter. This board features a 4-channel, 16-bit DAC with a voltage output range of 0V to 5V. It is ideal for instrumentation and measurement applications, such as data acquisition, signal conditioning, and control systems. The board includes a USB-to-SPI interface, allowing for easy connection to a PC or microcontroller. The board also includes a power supply, a voltage reference, and a set of jumpers for configuring the DAC. The board is designed to be used with the LTC2654BCUF-H16 Quad SPI 16-bit Voltage Output Digital to Analog Converter, and is a great tool for evaluating the performance of the device.
- TypeParameter
- Factory Lead Time8 Weeks
- Lifecycle StatusPRODUCTION (Last Updated: 2 weeks ago)
- Number of Pins0
- Published2010
- PackagingBox
- Part StatusActive
- Moisture Sensitivity Level (MSL)1 (Unlimited)
- Max Operating Temperature70°C
- Min Operating Temperature0°C
- Base Part NumberLTC2654
- Operating Supply Voltage5V
- InterfaceSPI, Serial
- Number of Bits16
- Utilized IC / PartLTC2654-16
- Supplied ContentsBoard(s)
- Data InterfaceMICROWIRE™, Serial, SPI™
- Evaluation KitYes
- Settling Time8.9μs
- Number of DAC Channels4
- DAC TypeVoltage
- Length37mm
- RoHS StatusROHS3 Compliant
- REACH SVHCNo SVHC
| Part Number | Manufacturer | Description | Stock | RFQ |
|---|---|---|---|---|
| Analog Devices | Monostable Multivibrator Single-Element 0°C 70°C Automotive 6-Pin TSOT-23 T/R | 500 | RFQ |


Product
Brand
Articles
Tools










