Linear Technology/Analog Devices DC1789ADEMO BOARD ISO USB TX W/PWR
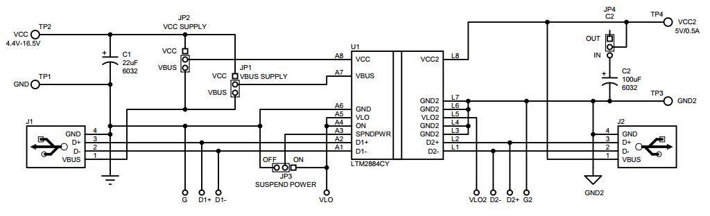
The Analog Devices DC1789A-A Demonstration Board is a versatile tool for instrumentation and measurement applications. It features the LTM2884 Isolated USB Transceiver with Isolated Power, which provides a reliable and secure connection between a PC and the board. The board is designed to demonstrate the features and capabilities of the LTM2884, and includes a variety of components and features to enable users to quickly and easily evaluate the performance of the transceiver. The board includes a USB connector, a power supply, a voltage regulator, a voltage reference, a temperature sensor, a current sense amplifier, a voltage sense amplifier, a digital isolator, and a variety of other components. The board also includes a variety of test points and connectors to enable users to quickly and easily evaluate the performance of the transceiver. The board is ideal for use in a variety of instrumentation and measurement applications, and is a great tool for quickly and easily evaluating the performance of the LTM2884.
- TypeParameter
- Lifecycle StatusPRODUCTION (Last Updated: 1 month ago)
- Factory Lead Time8 Weeks
- Number of Pins0
- SeriesµModule®
- Published2013
- Part StatusActive
- Moisture Sensitivity Level (MSL)1 (Unlimited)
- TypeInterface
- Base Part NumberLTM2884
- FunctionDigital Isolator
- Utilized IC / PartLTM2884
- Supplied ContentsBoard(s)
- Evaluation KitYes
- EmbeddedNo
- RoHS StatusROHS3 Compliant
| Part Number | Manufacturer | Description | Stock | RFQ |
|---|---|---|---|---|
| Analog Devices, Inc. | 0 | RFQ |


Product
Brand
Articles
Tools













