Linear Technology/Analog Devices DC1847ALTC3607EMSE DEMO BOARD - 4.5V ?
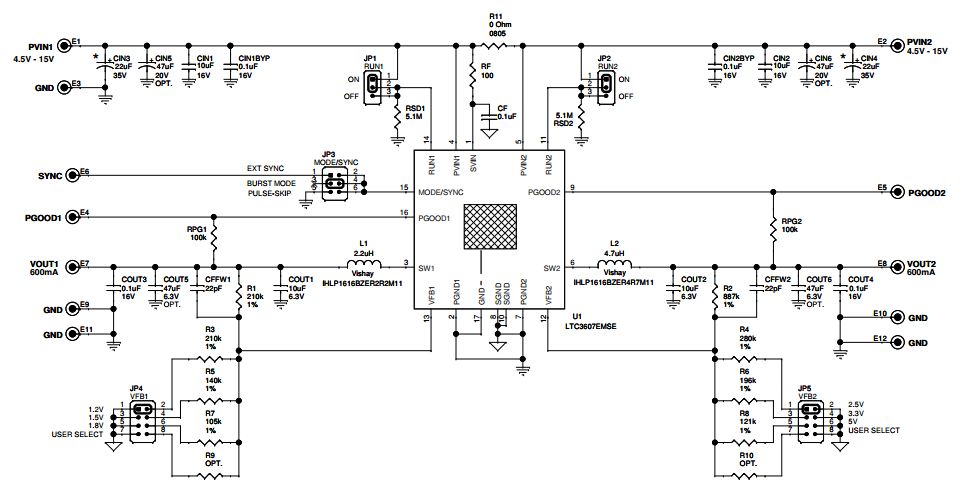
The Analog Devices DC1847A-A Demonstration Board is a versatile platform for evaluating the performance of the LTC3607EMSE Dual 600 mA, 15 V Monolithic Synchronous Step-Down Regulator. This board is designed for automotive and transportation applications, and features a wide input voltage range of 4.5 V to 36 V, adjustable output voltage range of 0.6 V to 15 V, and a high efficiency of up to 95%. It also includes a wide range of protection features such as over-voltage, over-current, and short-circuit protection. The board also includes a graphical user interface (GUI) for easy setup and monitoring of the regulator. The DC1847A-A is an ideal solution for automotive and transportation applications that require high efficiency and reliable power regulation.
- TypeParameter
- Factory Lead Time8 Weeks
- Voltage-Input4.5V~15V
- Part StatusActive
- Moisture Sensitivity Level (MSL)1 (Unlimited)
- Current - Output600mA 600mA
- Voltage - Output1.2V 2.5V
- Frequency - Switching2.25MHz
- Utilized IC / PartLTC3607
- Supplied ContentsBoard(s)
- Board TypeFully Populated
- Main PurposeDC/DC, Step Down
- Outputs and Type2, Non-Isolated
- Regulator TopologyBuck
- RoHS StatusROHS3 Compliant


Product
Brand
Articles
Tools






