Linear Technology/Analog Devices DC2237ADEMO BOARD FOR LTM8064
Description
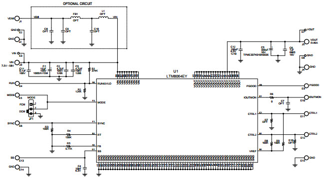
The Analog Devices DC2237A-A Demo Board is a versatile power management solution that utilizes the LTM8064 CVCC Source/Sink Step-Down Module Regulator. This board is capable of providing a regulated output voltage of 5V at ±6A from an input voltage of 7.5V to 58V. It features a wide input voltage range, high efficiency, and low output ripple. The board also includes a power-good indicator, thermal shutdown, and over-current protection. This demo board is ideal for applications such as automotive, industrial, and consumer electronics.
Specifications
Linear Technology/Analog Devices technical specifications, attributes, parameters and parts with similar specifications to Linear Technology/Analog Devices .
- TypeParameter
- Lifecycle StatusPRODUCTION (Last Updated: 3 months ago)
- Factory Lead Time8 Weeks
- Number of Pins0
- SeriesµModule®
- Published2016
- Part StatusActive
- Moisture Sensitivity Level (MSL)1 (Unlimited)
- Voltage - Output5V
- Frequency - Switching325kHz
- Utilized IC / PartLTM8064
- Supplied ContentsBoard(s)
- Evaluation KitYes
- Board TypeFully Populated
- Main PurposeDC/DC, Step Down
- Outputs and Type1, Non-Isolated
- Regulator TopologyBuck
- REACH SVHCNo SVHC
- RoHS StatusNon-RoHS Compliant
0 Similar Products Remaining


Product
Brand
Articles
Tools














