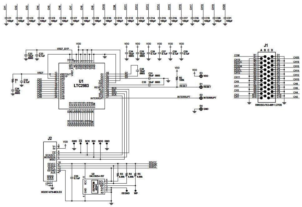
Linear Technology/Analog Devices DC2296AEVAL BOARD FOR LTC2983
The Analog Devices DC2296A-A, DC2296A, DC2209 and DC2210 Digital Temperature Measurement System, Instrumentation and Measurement System is a comprehensive suite of temperature measurement and control solutions. It is designed to provide accurate and reliable temperature measurements in a wide range of applications. The system includes a variety of temperature sensors, transducers, and controllers, as well as a range of software and hardware tools for data acquisition, analysis, and control. The system is capable of measuring temperatures from -200°C to +400°C with an accuracy of ±0.1°C. It also features a variety of communication protocols, including RS-232, USB, and Ethernet, for easy integration into existing systems. The system is designed to be easy to use and configure, and is suitable for a variety of industrial, medical, and laboratory applications.
- TypeParameter
- Factory Lead Time8 Weeks
- PackagingBox
- Published2014
- Part StatusActive
- Moisture Sensitivity Level (MSL)1 (Unlimited)
- Voltage - Supply2.85V~5.25V
- Base Part NumberLTC2983
- InterfaceSPI
- Utilized IC / PartLTC2983
- Supplied ContentsBoard(s)
- Sensor TypeTemperature
- RoHS StatusROHS3 Compliant


Product
Brand
Articles
Tools
















