Linear Technology/Analog Devices DC2420ADEV BOARD FOR LTC2984
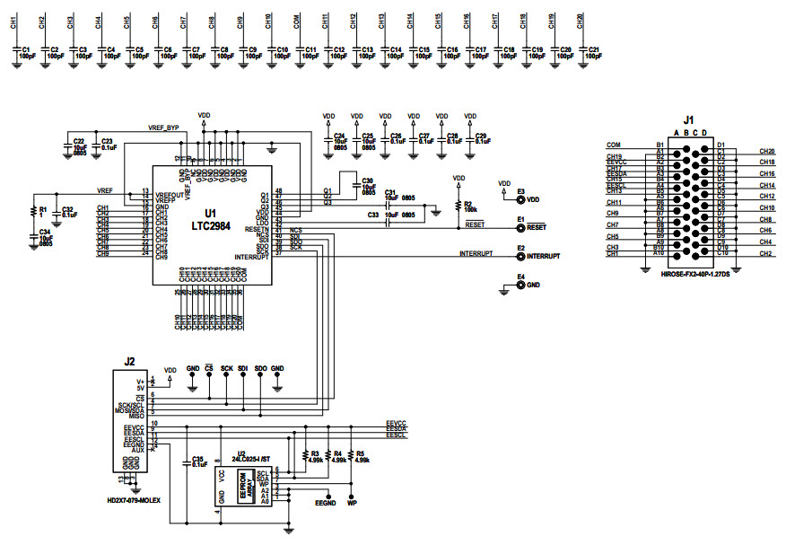
The Analog Devices DC2420A-A, DC2420A, Demo Board with the Motherboard (DC2399) + 20-Input Breakout Board (DC2210) is a powerful instrumentation and measurement solution based on the LTC2984. This demo board is designed to provide a comprehensive platform for testing and evaluating the performance of the LTC2984. The DC2420A-A, DC2420A, Demo Board includes the DC2399 Motherboard and the DC2210 20-Input Breakout Board. The DC2399 Motherboard provides a wide range of features, including a USB interface, a power supply, and a variety of analog and digital I/O. The DC2210 Breakout Board provides 20 analog inputs, allowing for a wide range of measurements. The DC2420A-A, DC2420A, Demo Board also includes the DC2026, a powerful instrumentation and measurement solution based on the LTC2984. The DC2026 provides a wide range of features, including a high-precision voltage and current measurement, a temperature measurement, and a wide range of digital I/O. The DC2420A-A, DC2420A, Demo Board is an ideal solution for testing and evaluating the performance of the LTC2984.
- TypeParameter
- Lifecycle StatusPRODUCTION (Last Updated: 3 weeks ago)
- Factory Lead Time8 Weeks
- Number of Pins0
- Published2014
- Part StatusActive
- Moisture Sensitivity Level (MSL)1 (Unlimited)
- TypePower Management
- Base Part NumberLTC2984
- FunctionThermal Management
- Utilized IC / PartLTC2984
- Supplied ContentsBoard(s), Cable(s)
- Evaluation KitYes
- Secondary AttributesGraphical User Interface
- REACH SVHCNo SVHC
- RoHS StatusROHS3 Compliant


Product
Brand
Articles
Tools

















