Linear Technology/Analog Devices DC2531A-KITSTARTER KIT FOR LTC2986, LTC2986
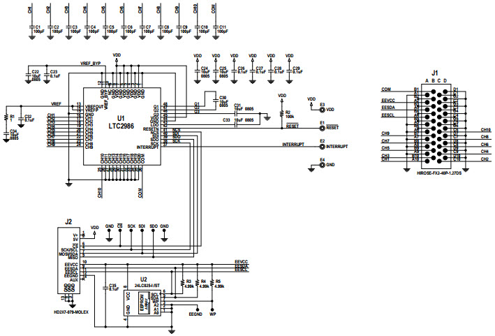
The Analog Devices DC2531A-KIT is a starter kit for the LTC2986 temperature sensor. It includes a DC2508 motherboard, a DC2210 20-input breakout board, and a Linduino One DC2026. This kit is designed for industrial temperature measurement applications and provides a comprehensive solution for monitoring and controlling temperatures in a variety of environments. The DC2508 motherboard features a USB interface, a real-time clock, and a temperature sensor. The DC2210 breakout board provides 20 inputs for connecting external temperature sensors, and the Linduino One DC2026 provides a platform for programming and controlling the temperature sensors. This kit is ideal for industrial temperature measurement applications and provides a comprehensive solution for monitoring and controlling temperatures in a variety of environments.
- TypeParameter
- Lifecycle StatusPRODUCTION (Last Updated: 3 weeks ago)
- Factory Lead Time8 Weeks
- Number of Pins0
- Published2014
- Part StatusActive
- Moisture Sensitivity Level (MSL)1 (Unlimited)
- TypePower Management
- Base Part NumberLTC2986
- FunctionThermal Management
- Utilized IC / PartLTC2986
- Supplied ContentsBoard(s)
- Evaluation KitYes
- EmbeddedYes, MCU, 8-Bit
- Secondary AttributesGraphical User Interface
- RoHS StatusROHS3 Compliant
| Part Number | Manufacturer | Description | Stock | RFQ |
|---|---|---|---|---|
| Microchip Technology | MICROCHIP - 24AA02T-I/OT - EEPROM, 2 Kbit, 256 x 8bit, Serial I2C (2-Wire), 400 kHz, SOT-23, 5 Pins | 6000 | RFQ |


Product
Brand
Articles
Tools















