Microchip Technology TMPSNSRD-TCPL1THERMOCOUPLE REFERENCE DESIGN
Description
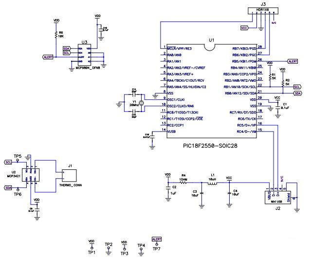
Microchip Technology's TMPSNSRD-TCPL1 thermocouple Reference Design is a complete instrumentation and measurement solution for temperature sensing applications. It features a high-accuracy, low-power thermocouple amplifier with a wide temperature range and a wide range of thermocouple types. The design also includes a temperature-to-digital converter, a temperature-to-voltage converter, and a temperature-to-frequency converter. The design is optimized for low power consumption and is suitable for use in a variety of industrial, medical, and consumer applications. The design is also compatible with Microchip's MPLAB® X Integrated Development Environment (IDE) for easy development and debugging.
Specifications
Microchip Technology technical specifications, attributes, parameters and parts with similar specifications to Microchip Technology .
- TypeParameter
- Factory Lead Time14 Weeks
- PackagingBox
- Published2010
- Part StatusActive
- Moisture Sensitivity Level (MSL)1 (Unlimited)
- Operating Supply Voltage5V
- InterfaceUSB
- Utilized IC / PartMCP3421, MCP9804
- Supplied ContentsBoard(s)
- Evaluation KitYes
- Sensor TypeTemperature, Thermocouple
- EmbeddedNo
- REACH SVHCNo SVHC
- RoHS StatusROHS3 Compliant
- Lead FreeLead Free
0 Similar Products Remaining
Technical Documents
Associated Products
| Part Number | Manufacturer | Description | Stock | RFQ |
|---|---|---|---|---|
| Microchip Technology | Analog to Digital Converters - ADC 13-bit diff In 1 Ch | 0 | RFQ | |
| Microchip Technology | IC MCU 8BIT 32KB FLASH 28SOIC | 0 | RFQ | |
| Microchip Technology | Temp Sensor Digital Serial (2-Wire, I2C, SMBus) Automotive 8-Pin DFN EP T/R | 5 | BUY |


Product
Brand
Articles
Tools























