Linear Technology/Analog Devices DC2449A-BLT8335A DEMO BOARD 4.5V TO 13V T
Description
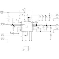
The Analog Devices DC2449A-B Demo Board is a versatile power management solution that utilizes the LT8335 micro-power inverter to provide a -12V output at 350mA from a 4.5 to 13V input voltage. It features a 2MHz switching frequency and is designed to demonstrate the capabilities of the LT8335 IC. The board is ideal for applications such as automotive, industrial, and consumer electronics that require a low-power, high-efficiency power management solution. The DC2449A-B Demo Board is a great choice for engineers looking to quickly and easily evaluate the performance of the LT8335 IC.
Specifications
Linear Technology/Analog Devices technical specifications, attributes, parameters and parts with similar specifications to Linear Technology/Analog Devices .
- TypeParameter
- Factory Lead Time8 Weeks
- Part StatusActive
- Moisture Sensitivity Level (MSL)1 (Unlimited)
- Voltage - Output-12V
- Frequency - Switching2MHz
- Utilized IC / PartLT8335
- Supplied ContentsBoard(s)
- Board TypeFully Populated
- Main PurposeDC/DC, Negative Inverter
- Outputs and Type1, Non-Isolated
- Regulator TopologyInverting
0 Similar Products Remaining
Technical Documents


Product
Brand
Articles
Tools






