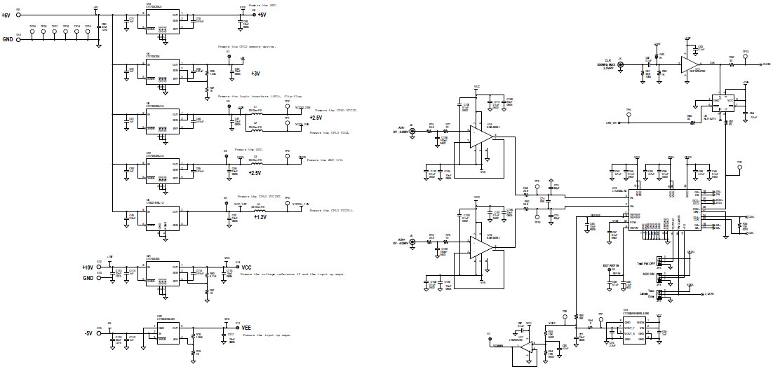
Linear Technology/Analog Devices DC2588A-ADEMO BOARD FOR LTC2387-18
The Analog Devices DC2588A-A Demo Board is a powerful tool for evaluating the performance of the LTC2387-18, an 18-bit, 15Msps high speed SAR ADC. This board is designed to provide a comprehensive platform for testing and evaluating the ADC's performance in communications and telecom applications. It features a wide range of features, including a high-speed data acquisition system, a low-noise power supply, and a wide range of signal conditioning and test equipment. The board also includes a comprehensive set of software tools for data analysis and visualization. With its high-speed data acquisition system, the DC2588A-A Demo Board is ideal for testing and evaluating the performance of the LTC2387-18 in communications and telecom applications.
- TypeParameter
- Factory Lead Time8 Weeks
- PackagingBox
- Part StatusActive
- Moisture Sensitivity Level (MSL)1 (Unlimited)
- Base Part NumberLTC2387
- Number of Bits18
- Utilized IC / PartLTC2387-18
- Supplied ContentsBoard(s)
- Data InterfaceLVDS - Serial
- Sampling Rate (Per Second)15M
- Number of A/D Converters1
- Power (Typ) @ Conditions125mW @ 15MSPS
- RoHS StatusNon-RoHS Compliant
| Part Number | Manufacturer | Description | Stock | RFQ |
|---|---|---|---|---|
| ON Semiconductor | ON SEMICONDUCTOR - NL17SZ74USG - Flip-Flop, Complementary, Positive Edge, D, 2.6 ns, 250 MHz, 32 mA, US8 | 947 | RFQ | |
| Analog Devices, Inc. | 2551 | BUY | ||
| Analog Devices Inc. | ANALOG DEVICES - ADA4899-1YRDZ - Operational Amplifier, Single, 1 Amplifier, 600 MHz, 310 V/µs, 5V to 12V, SOIC, 8 Pins | 20 | RFQ | |
| Analog Devices, Inc. | 1250 | RFQ | ||
| Microchip Technology | IC EEPROM 2K I2C 400KHZ 8TSSOP | 1000 | BUY |


Product
Brand
Articles
Tools














