Linear Technology/Analog Devices DC526AEVAL BOARD BOOST REG LT1310
Description
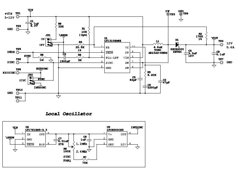
The Analog Devices DC526A-A, LT1310EMSE Demo Board, Boost DC/DC Converter w/ Phase-Locked Loop is a versatile and powerful tool for instrumentation and measurement. It is designed to convert a 5 to 12V input voltage to a 12V output voltage at 0.4A. The board features a phase-locked loop (PLL) for improved efficiency and accuracy, and is capable of providing a wide range of output voltages and currents. It is ideal for use in a variety of applications, including instrumentation, measurement, and power supply testing. The board is also equipped with a variety of safety features, including over-voltage and over-current protection, as well as thermal protection.
Specifications
Linear Technology/Analog Devices technical specifications, attributes, parameters and parts with similar specifications to Linear Technology/Analog Devices .
- TypeParameter
- Factory Lead Time8 Weeks
- Published2002
- Part StatusActive
- Moisture Sensitivity Level (MSL)1 (Unlimited)
- Base Part NumberLT1317
- Voltage - Output12V
- Utilized IC / PartLT1310
- Supplied ContentsBoard(s)
- Board TypeFully Populated
- Main PurposeDC/DC, Step Up
- Outputs and Type1, Non-Isolated
- Regulator TopologyBoost
- RoHS StatusROHS3 Compliant
0 Similar Products Remaining
Technical Documents
Associated Products
| Part Number | Manufacturer | Description | Stock | RFQ |
|---|---|---|---|---|
| Analog Devices, Inc. | 5000 | RFQ | ||
| Analog Devices | Silicon Oscillator - 0.001MHz to 20MHz CMOS 5-Pin TSOT-23 T/R | 0 | RFQ | |
| Analog Devices, Inc. | LDO Regulator Pos 3.3V 0.1A 5-Pin TSOT-23 | 0 | RFQ | |
| Analog Devices, Inc. | 0 | RFQ | ||
| Analog Devices, Inc. | 186 | BUY |


Product
Brand
Articles
Tools














