Linear Technology/Analog Devices DC774ABOARD EVAL FOR LTC3770EUF
Description
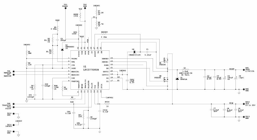
The Analog Devices DC774A-A, LTC3770EUF Demo Board is a high efficiency, high power buck converter with margining/tracking capabilities. It is designed to provide a regulated output voltage of 2.5V at 10A from an input voltage range of 5V to 28V. It features a wide range of communications and telecom features, including a USB interface, a CAN bus interface, and a RS-232 interface. The board also includes a graphical user interface (GUI) for easy configuration and monitoring. The board is designed to be used in a variety of applications, including automotive, industrial, and telecom.
Specifications
Linear Technology/Analog Devices technical specifications, attributes, parameters and parts with similar specifications to Linear Technology/Analog Devices .
- TypeParameter
- Factory Lead Time8 Weeks
- Published2005
- Part StatusActive
- Moisture Sensitivity Level (MSL)1 (Unlimited)
- Voltage - Output2.5V
- Frequency - Switching250kHz
- Utilized IC / PartLTC3770
- Supplied ContentsBoard(s)
- Board TypeFully Populated
- Main PurposeDC/DC, Step Down
- Outputs and Type1, Non-Isolated
- Regulator TopologyBuck
- RoHS StatusROHS3 Compliant
0 Similar Products Remaining
Technical Documents


Product
Brand
Articles
Tools









