Linear Technology/Analog Devices DC865ALT3021EDH - LOW VOLTAGE LDO LINE
Description
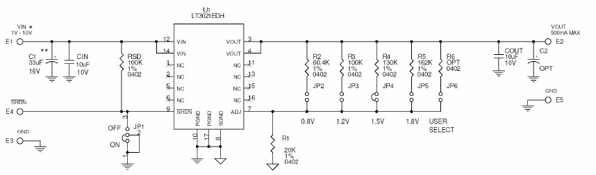
The Analog Devices DC865A-A LT3021EDH Demo Board is a low voltage LDO linear regulator designed for consumer electronics applications. It features a wide input voltage range of 2.5V to 5.5V and a low quiescent current of only 1.2mA. The board also includes a power-on reset circuit, over-current protection, and thermal shutdown protection. It is capable of providing up to 500mA of output current and has a low dropout voltage of only 0.2V. The board is designed to be used with the LT3021EDH low voltage LDO linear regulator, making it an ideal solution for powering consumer electronics devices.
Specifications
Linear Technology/Analog Devices technical specifications, attributes, parameters and parts with similar specifications to Linear Technology/Analog Devices .
- TypeParameter
- Factory Lead Time8 Weeks
- Voltage-Input1V~10V
- PackagingBox
- Part StatusActive
- Moisture Sensitivity Level (MSL)1 (Unlimited)
- Current - Output500mA
- Voltage - Output1.5V
- Utilized IC / PartLT3021
- Supplied ContentsBoard(s)
- Regulator TypePositive Adjustable
- Board TypeFully Populated
- Channels per IC1 - Single
- RoHS StatusROHS3 Compliant
0 Similar Products Remaining
Technical Documents
Associated Products
| Part Number | Manufacturer | Description | Stock | RFQ |
|---|---|---|---|---|
| Analog Devices, Inc. | 0 | RFQ | ||
| Analog Devices, Inc. | LINEAR TECHNOLOGY LT3008EDC-5#PBF SP-LINREG Cut Tape 3uA Iq, 20mA Low Dropout Linear Regulators 78T3784 | 0 | RFQ | |
| Linear Technology/Analog Devices | IC REG LINEAR 3.3V 20MA 6DFN | 0 | RFQ |


Product
Brand
Articles
Tools











