Linear Technology/Analog Devices DC933ABOARD DEMO FOR LT5512EUF
Description
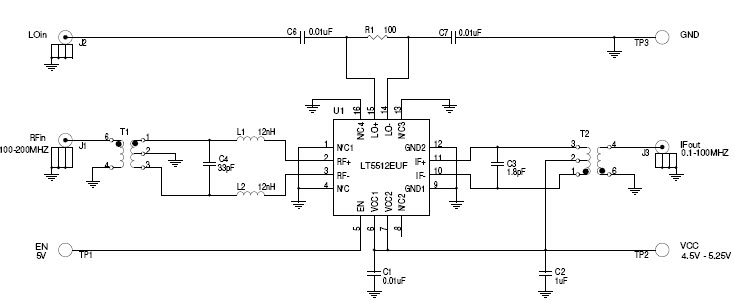
The Analog Devices DC933A-A, DC933A Demo Board is a versatile and powerful consumer electronics solution for HF/VHF/UHF down-converting mixing. It features the LT5512 HF/VHF/UHF Down-Converting Mixer, which provides a wide range of frequency conversion capabilities. The board is designed to be used in a variety of consumer electronics applications, such as radio receivers, television receivers, and satellite receivers. It is also suitable for use in a variety of industrial and commercial applications. The board is easy to use and provides a high level of performance. It is also highly reliable and cost-effective.
Specifications
Linear Technology/Analog Devices technical specifications, attributes, parameters and parts with similar specifications to Linear Technology/Analog Devices .
- TypeParameter
- Lifecycle StatusPRODUCTION (Last Updated: 3 months ago)
- Factory Lead Time8 Weeks
- Number of Pins0
- Part StatusActive
- Moisture Sensitivity Level (MSL)1 (Unlimited)
- TypeMixer
- Frequency100kHz~100MHz
- Supplied ContentsBoard(s)
- RoHS StatusROHS3 Compliant
0 Similar Products Remaining
Technical Documents


Product
Brand
Articles
Tools









