Maxim Integrated MAX13487EEVKIT#KIT EVAL FOR MAX13487E
Description
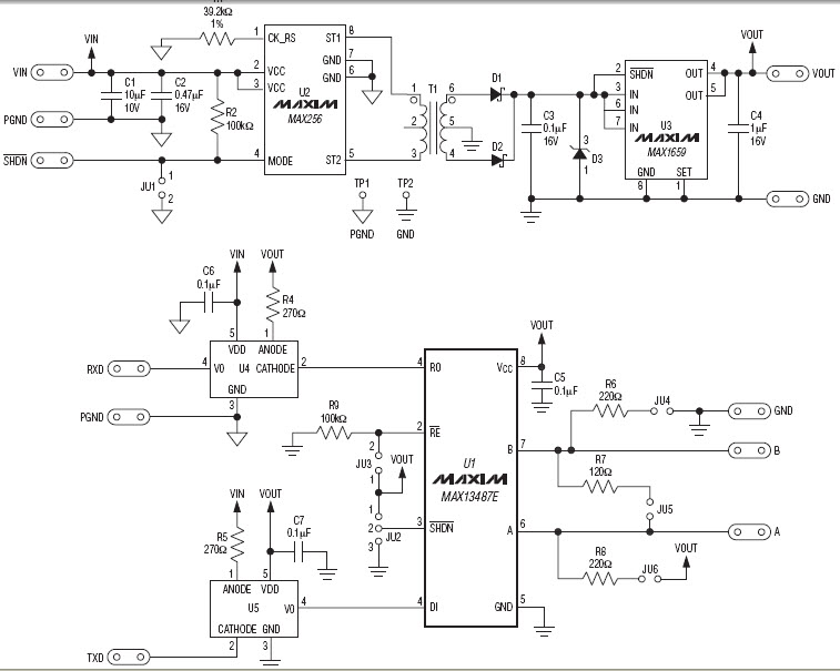
The MAX13487EEVKIT-EEVKIT# is an evaluation kit for the MAX13487 5V RS-485 transceiver, designed for automotive and transportation applications. It includes a MAX13487E transceiver, a MAX13487E evaluation board, and a USB-to-RS-485 adapter. The evaluation board provides a convenient platform for evaluating the performance of the MAX13487E transceiver in a variety of automotive and transportation applications. The USB-to-RS-485 adapter allows for easy connection to a PC for data logging and analysis. The kit also includes a comprehensive set of documentation, including a user guide, application notes, and design files.
Specifications
Maxim Integrated technical specifications, attributes, parameters and parts with similar specifications to Maxim Integrated .
- TypeParameter
- Factory Lead Time6 Weeks
- Published2008
- Part StatusActive
- Moisture Sensitivity Level (MSL)1 (Unlimited)
- TypeInterface
- Base Part NumberMAX13487
- FunctionDigital Cable Driver
- Utilized IC / PartMAX13487E
- Supplied ContentsBoard(s)
- Evaluation KitYes
- Radiation HardeningNo
- RoHS StatusROHS3 Compliant
0 Similar Products Remaining
Technical Documents
Associated Products
| Part Number | Manufacturer | Description | Stock | RFQ |
|---|---|---|---|---|
| NXP Semiconductors | NAND Gate 4-Element 2-IN CMOS 14-Pin SO T/R | 2700 | RFQ | |
| Nexperia USA Inc. | NEXPERIA - 74HC595D-Q100,118 - SHIFT REGISTER, 8BIT, SIPO/SISO, SOIC-16 | 73778 | RFQ | |
| Nexperia USA Inc. | IC 8BIT SHIFT REGISTER 16-DHVQFN | 1261 | BUY | |
| NXP USA Inc. | Logic Gates Quad 2-input NAND Schmitt trigger | 0 | RFQ | |
| Maxim Integrated | MAXIM INTEGRATED PRODUCTS MAX253ESA . Transformer Driver RS232/RS485 Driver, 4.5V-5.5V Supply, SOIC-8 | 55 | RFQ | |
| Maxim Integrated | IC DRVR TRANSFORMER 8-UMAX | 130 | BUY | |
| NXP USA Inc. | Counter Shift Registers 8bit serial-in serial/parallel-out | 0 | RFQ |


Product
Brand
Articles
Tools


















