Maxim Integrated MAX22501EEVKIT#EVAL MAX22501 RS485/RS422
Description
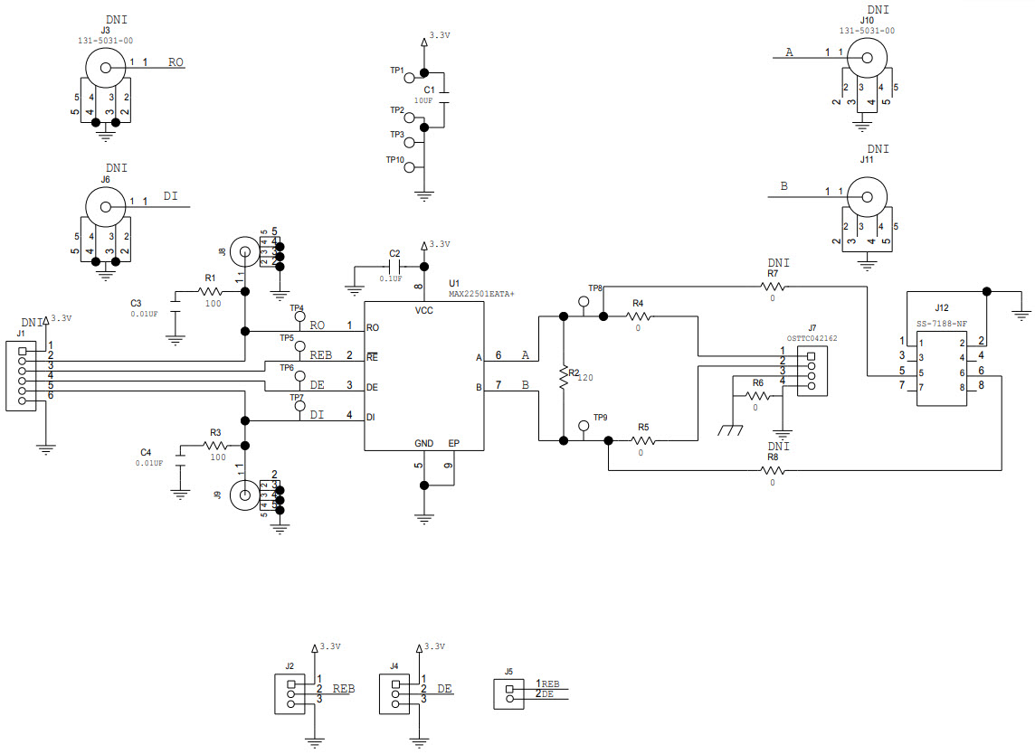
The MAX22501EEVKIT-EEVKIT# is an evaluation kit for the MAX22501E 100Mbps Half-Duplex RS-485/RS-422 Transceiver for Long Cables. This kit is designed to help engineers evaluate the performance of the MAX22501E transceiver in a variety of applications. The kit includes a MAX22501E transceiver, a USB-to-RS-485/RS-422 adapter, and a set of cables and connectors. The kit also includes a user guide and software to help engineers quickly and easily evaluate the performance of the transceiver. The MAX22501E transceiver is designed to provide reliable communication over long cables, making it ideal for communications and telecom applications.
Specifications
Maxim Integrated technical specifications, attributes, parameters and parts with similar specifications to Maxim Integrated .
- TypeParameter
- Factory Lead Time6 Weeks
- Part StatusActive
- Moisture Sensitivity Level (MSL)1 (Unlimited)
- TypeInterface
- Base Part NumberMAX22501
- FunctionTransceiver, RS-422, RS-485
- Utilized IC / PartMAX22501E
- Supplied ContentsBoard(s)
- EmbeddedNo
- Secondary AttributesHalf-Duplex
- RoHS StatusROHS3 Compliant
0 Similar Products Remaining


Product
Brand
Articles
Tools










