Maxim Integrated MAX1493XWEVKIT#EVAL KIT MAX14930/31/32/34/35/36
Description
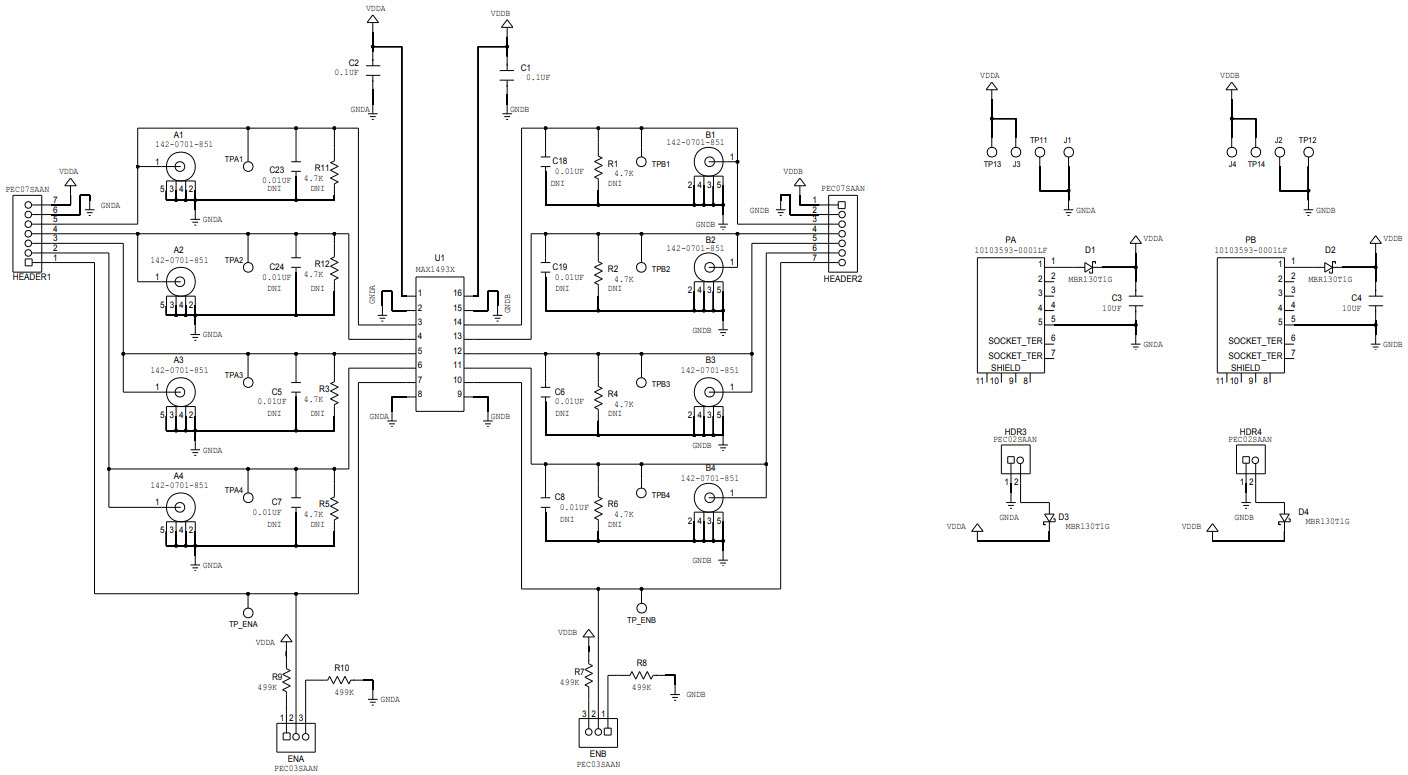
The MAX1493XWEVKIT-XWEVKIT# and MAX1493XWEVKIT# are evaluation kits for the MAX14932 4-Channel, 2.75kVRMS Digital Isolator, Power Management IC. This kit includes a narrow-body SOIC package, which allows for easy evaluation of the device in a variety of applications. The kit also includes a USB-to-I2C interface board, which allows for easy communication with the device. The kit also includes a variety of components, such as resistors, capacitors, and LEDs, to help users evaluate the device in a variety of applications. The kit also includes a comprehensive user guide, which provides detailed instructions on how to use the kit and evaluate the device.
Specifications
Maxim Integrated technical specifications, attributes, parameters and parts with similar specifications to Maxim Integrated .
- TypeParameter
- Factory Lead Time6 Weeks
- Published2016
- Part StatusActive
- Moisture Sensitivity Level (MSL)1 (Unlimited)
- TypeInterface
- Base Part NumberMAX1493
- FunctionDigital Isolator
- Utilized IC / PartMAX1493x
- Supplied ContentsBoard(s)
- RoHS StatusROHS3 Compliant
0 Similar Products Remaining
Technical Documents


Product
Brand
Articles
Tools













