Maxim Integrated MAX15026BEVKIT+Power Management IC Development Tools MAX15026B Eval Kit
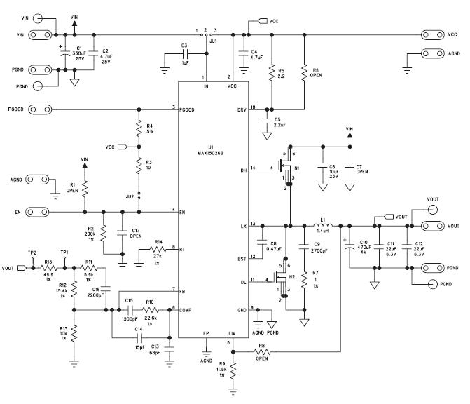
The Maxim Integrated MAX15026BEVKIT+ is an evaluation kit for the MAX15026 1.5V DC to DC single output power supply for Ethernet router and Ethernet switch, communications and telecom applications. This kit includes a MAX15026BEV board, a MAX15026BEV-EVAL board, and a MAX15026BEV-EVAL-CABLE. The MAX15026BEV board is a fully-featured, high-efficiency, 1.5V DC-DC converter with a wide input voltage range of 4.5V to 28V. It provides up to 1.5A of output current and is optimized for low-noise operation. The MAX15026BEV-EVAL board provides a convenient platform for evaluating the MAX15026BEV board and includes a USB-to-I2C interface for programming and monitoring the board. The MAX15026BEV-EVAL-CABLE is a USB-to-I2C cable that connects the MAX15026BEV-EVAL board to a PC for programming and monitoring. This evaluation kit is ideal for evaluating the performance of the MAX15026BEV board in Ethernet router and Ethernet switch, communications and telecom applications.
- TypeParameter
- Factory Lead Time6 Weeks
- Published2009
- Part StatusActive
- Moisture Sensitivity Level (MSL)1 (Unlimited)
- Base Part NumberMAX15026
- Voltage - Output1.5V
- Frequency - Switching600kHz
- Utilized IC / PartMAX15026B
- Supplied ContentsBoard(s)
- Evaluation KitYes
- Board TypeFully Populated
- Main PurposeDC/DC, Step Down
- Outputs and Type1, Non-Isolated
- Regulator TopologyBuck
- Radiation HardeningNo
- RoHS StatusROHS3 Compliant
| Part Number | Manufacturer | Description | Stock | RFQ |
|---|---|---|---|---|
| Analog Devices | 200mA, 36V DC/DC μModule (Power Module) Regulator | 0 | RFQ |


Product
Brand
Articles
Tools










