Maxim Integrated MAX30001EVSYS#EVAL MAX30001 BIO AFE
The MAX30001EVSYS-EVSYS# Evaluation System for the MAX30001 Ultra-Low-Power, Single-Channel Integrated Biopotential and Bioimpedance, Medical and Healthcare AFE is a comprehensive evaluation system designed to help users evaluate the performance of the MAX30001 AFE. The system includes a MAX30001 evaluation board, a MAX30001 evaluation software, and a USB cable for connecting the board to a PC. The evaluation board features a MAX30001 AFE, a MAX30001 evaluation software, and a USB cable for connecting the board to a PC. The evaluation software provides a graphical user interface for configuring the MAX30001 AFE and for monitoring the AFE's performance. The evaluation board also includes a MAX30001 evaluation board, a MAX30001 evaluation software, and a USB cable for connecting the board to a PC. The evaluation board also includes a MAX30001 evaluation board, a MAX30001 evaluation software, and a USB cable for connecting the board to a PC. The evaluation board also includes a MAX30001 evaluation board, a MAX30001 evaluation software, and a USB cable for connecting the board to a PC. The evaluation board also includes a MAX30001 evaluation board, a MAX30001 evaluation software, and a USB cable for connecting the board to a PC. The evaluation board also includes a MAX30001 evaluation board, a MAX30001 evaluation software, and a USB cable for connecting the board to a PC. The evaluation board also includes a MAX30001 evaluation board, a MAX30001 evaluation software, and a USB cable for connecting the board to a PC. The evaluation board also includes a MAX30001 evaluation board, a MAX30001 evaluation software, and a USB cable for connecting the board to a PC. The evaluation board also includes a MAX30001 evaluation board, a MAX30001 evaluation software, and a USB cable for connecting the board to a
- TypeParameter
- Factory Lead Time6 Weeks
- Published2017
- Part StatusActive
- Moisture Sensitivity Level (MSL)1 (Unlimited)
- TypeInterface
- FunctionAnalog Front End (AFE)
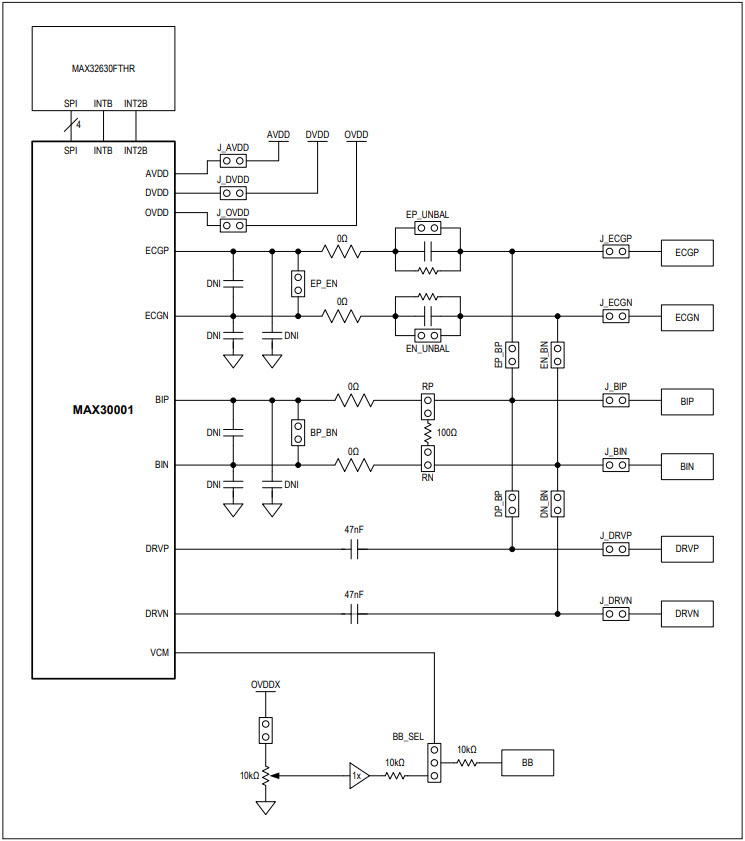
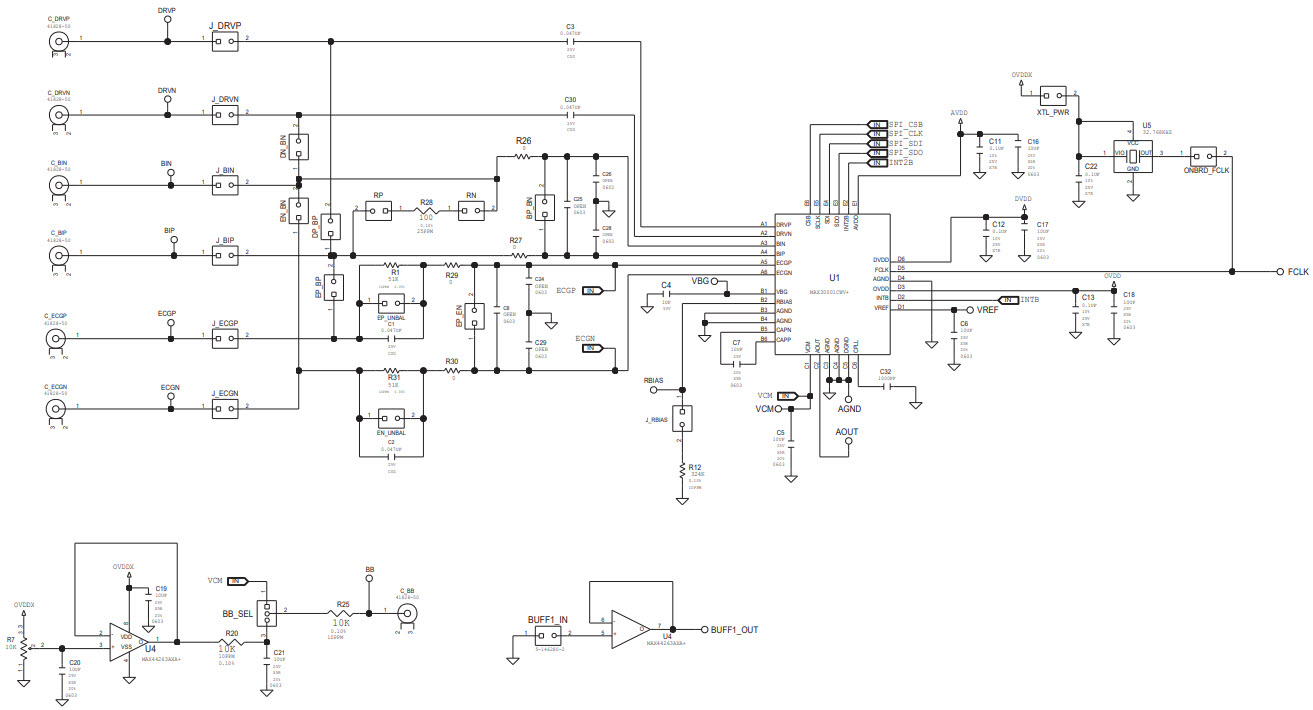
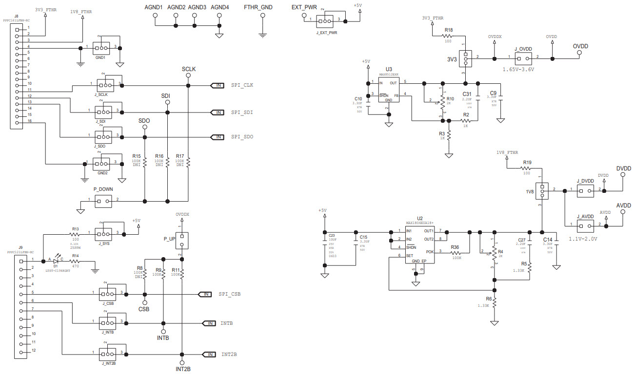
- Utilized IC / PartMAX30001
- Supplied ContentsBoard(s), Cable(s)
- Primary Attributes1-Channel (Single)
- EmbeddedYes, MCU, 32-Bit
- Secondary AttributesGraphical User Interface
- RoHS StatusROHS3 Compliant
- MAX30001 Evaluation System
- MAX30001 Datasheet
- MAXREFDES101# Health Sensor Platform 2.0 Guide
- Take the Stress Out of Wearable Heart Monitoring
- How to Measure Biopotential ECG Using a Chest Strap
- MAX30001EVSYS%23-Maxim-Integrated-datasheet-101610053.pdf
- MAX30001EVSYS%23-Maxim-Integrated-datasheet-108936291.pdf
- Maxim-Integrated-company-65.pdf


Product
Brand
Articles
Tools



















