STMicroelectronics STEVAL-IME002V1EVAL BOARD MULTI-LEAD ECG HM301D
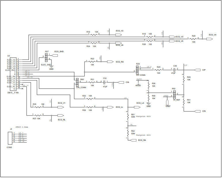
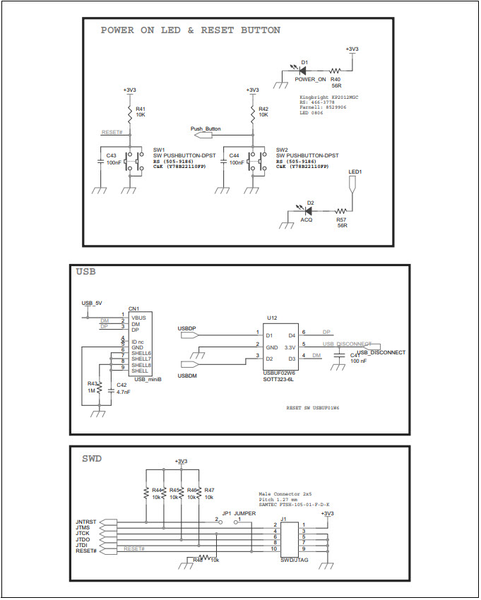
The STMicroelectronics STEVAL-IME002V1 is a medical and healthcare evaluation board based on the HM301D multi-lead electrocardiogram (ECG) and body impedance demonstration board. It is designed to provide a comprehensive platform for the development and evaluation of medical and healthcare applications. The board features a wide range of features, including a high-resolution ECG signal acquisition system, a body impedance measurement system, and a Bluetooth Low Energy (BLE) interface for data transmission. The board also includes a graphical user interface (GUI) for data visualization and analysis. The STEVAL-IME002V1 is an ideal platform for medical and healthcare applications such as ECG monitoring, body impedance measurement, and remote patient monitoring.
- TypeParameter
- Part StatusDiscontinued
- Moisture Sensitivity Level (MSL)1 (Unlimited)
- TypeInterface
- FunctionAnalog Front End (AFE) for ECG, EKG
- Utilized IC / PartHM301D
- Supplied ContentsBoard(s)
- Evaluation KitYes
- Primary AttributesMulti-lead
- EmbeddedYes, MCU, 32-Bit
- Secondary AttributesGraphical User Interface, SPI and USB Interfaces
- RoHS StatusROHS3 Compliant
| Part Number | Manufacturer | Description | Stock | RFQ |
|---|---|---|---|---|
| STMicroelectronics | Analog Switch ICs Lo Vltg Hi bandwidth quad SPDT switch | 1250 | RFQ | |
| STMicroelectronics | EMI Filter Noise Suppression 30MHz to 1000MHz Gull Wing SMD Automotive T/R | 12000 | RFQ | |
| STMicroelectronics | IC MCU 32BIT 128KB FLASH 48LQFP | 43640 | RFQ | |
| STMicroelectronics | IC REG LIN 3.3V 150MA SOT323-5 | 6000 | BUY |


Product
Brand
Articles
Tools


























