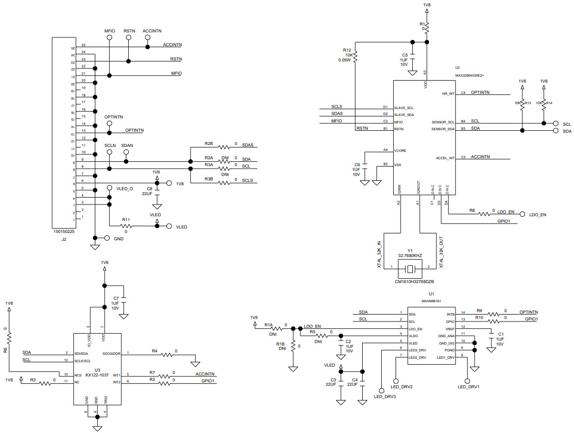
Maxim Integrated MAXM86161EVSYS#INTEGRATED PPG MODULE FOR IN EAR
The MAXM86161EVSYS# Evaluation System for MAXM86161 Single-Supply Integrated Optical Module for HR and SpO2 Measurement, Medical and Healthcare Applications is a comprehensive evaluation system designed to evaluate the performance of the MAXM86161 integrated optical module. This system includes a MAXM86161EVSYS# board, a MAXM86161EVSYS# software package, and a MAXM86161EVSYS# evaluation cable. The MAXM86161EVSYS# board is a compact, low-cost, and easy-to-use evaluation platform that allows users to quickly evaluate the performance of the MAXM86161 integrated optical module. The MAXM86161EVSYS# software package provides a graphical user interface (GUI) for configuring and controlling the MAXM86161 integrated optical module. The MAXM86161EVSYS# evaluation cable provides a connection between the MAXM86161EVSYS# board and the MAXM86161 integrated optical module. The MAXM86161EVSYS# Evaluation System is ideal for medical and healthcare applications that require accurate and reliable HR and SpO2 measurements.
- TypeParameter
- Factory Lead Time6 Weeks
- Part StatusActive
- Moisture Sensitivity Level (MSL)1 (Unlimited)
- TypeInterface
- FunctionSensor Signal Conditioner
- Utilized IC / PartMAXM86161
- Supplied ContentsBoard(s), Cable(s)
- EmbeddedYes
- Secondary AttributesGraphical User Interface, I2C Interface
- RoHS StatusROHS3 Compliant
| Part Number | Manufacturer | Description | Stock | RFQ |
|---|---|---|---|---|
| ECS Inc. | CRYSTAL 32.7680KHZ 6PF SMD | 8000 | BUY | |
| Maxim | Multi Function Battery Management IC Li-Ion I2C 2.375V 56-Bump WLP T/R - Product that comes on tape, but is not reeled (Alt: MAX20303HEWN ) | 0 | RFQ | |
| ECS Inc. | Crystal 0.032768MHz ±20ppm (Tol) 6pF Flexural 50000Ohm Automotive 2-Pin Ultra Mini-CSMD T/R | 6000 | BUY |


Product
Brand
Articles
Tools
























