Maxim Integrated MAX32666EVKIT#MAX32666 EVAL BRD
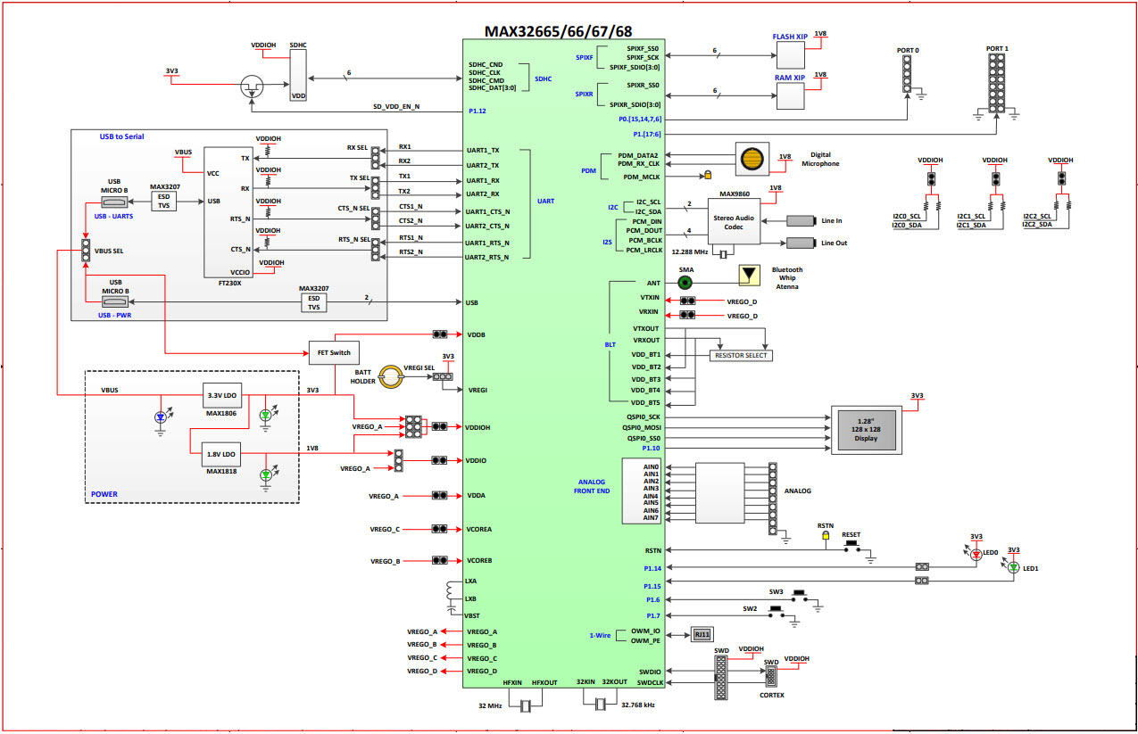
The MAX32666EVKIT-EVKIT# is an evaluation kit for the MAX32666 low power ARM Cortex-M4 with FPU-based microcontroller. It is designed for wearables, consumer electronics, and IoT applications, and features Bluetooth 5 for wireless connectivity. The kit includes a MAX32666 microcontroller, a MAX32630FTHR development board, a MAX14690 power management IC, and a MAX77650 power management IC. It also includes a MAX32620FTHR development board, a MAX32630FTHR development board, and a MAX32620FTHR development board. The kit also includes a MAX32620FTHR development board, a MAX32630FTHR development board, and a MAX32620FTHR development board. The kit also includes a MAX32620FTHR development board, a MAX32630FTHR development board, and a MAX32620FTHR development board. The kit also includes a MAX32620FTHR development board, a MAX32630FTHR development board, and a MAX32620FTHR development board. The kit also includes a MAX32620FTHR development board, a MAX32630FTHR development board, and a MAX32620FTHR development board. The kit also includes a MAX32620FTHR development board, a MAX32630FTHR development board, and a MAX32620FTHR development board. The kit also includes a MAX32620FTHR development board, a MAX32630FTHR development board, and a MAX32620FTHR development board. The kit also includes a MAX32620FTHR development board, a MAX32630FTHR development board, and a MAX32620FTHR development board. The kit also includes a MAX32620FTHR development board, a MAX32630
- TypeParameter
- Factory Lead Time6 Weeks
- Mounting TypeFixed
- SeriesDARWIN
- Part StatusActive
- Moisture Sensitivity Level (MSL)1 (Unlimited)
- TypeMCU 32-Bit
- Core ProcessorARM® Cortex®-M4F
- Utilized IC / PartMAX32666
- ContentsBoard(s)
- Board TypeEvaluation Platform
- RoHS StatusROHS3 Compliant
| Part Number | Manufacturer | Description | Stock | RFQ |
|---|---|---|---|---|
| Texas Instruments | Inverter 1-Element CMOS 5-Pin SC-70 T/R | 0 | RFQ | |
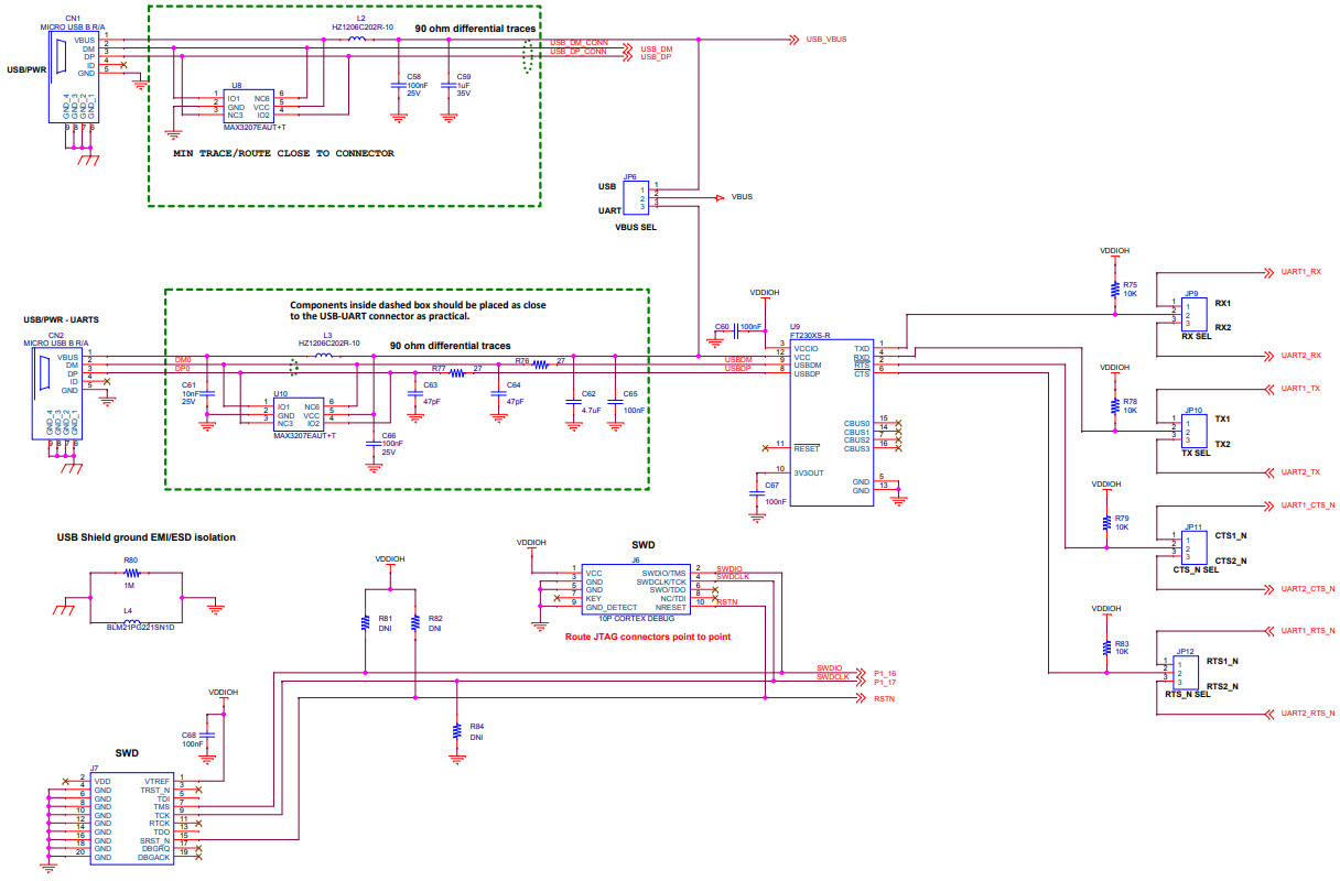
| FTDI, Future Technology Devices International Ltd | IC USB SERIAL BASIC UART 16SSOP | 12 | RFQ | |
| Abracon LLC | CRYSTAL 12.2880MHZ 18PF SMD | 0 | RFQ | |
| EPSON | CRYSTAL 32.00 MHZ 12PF SMD | 0 | RFQ | |
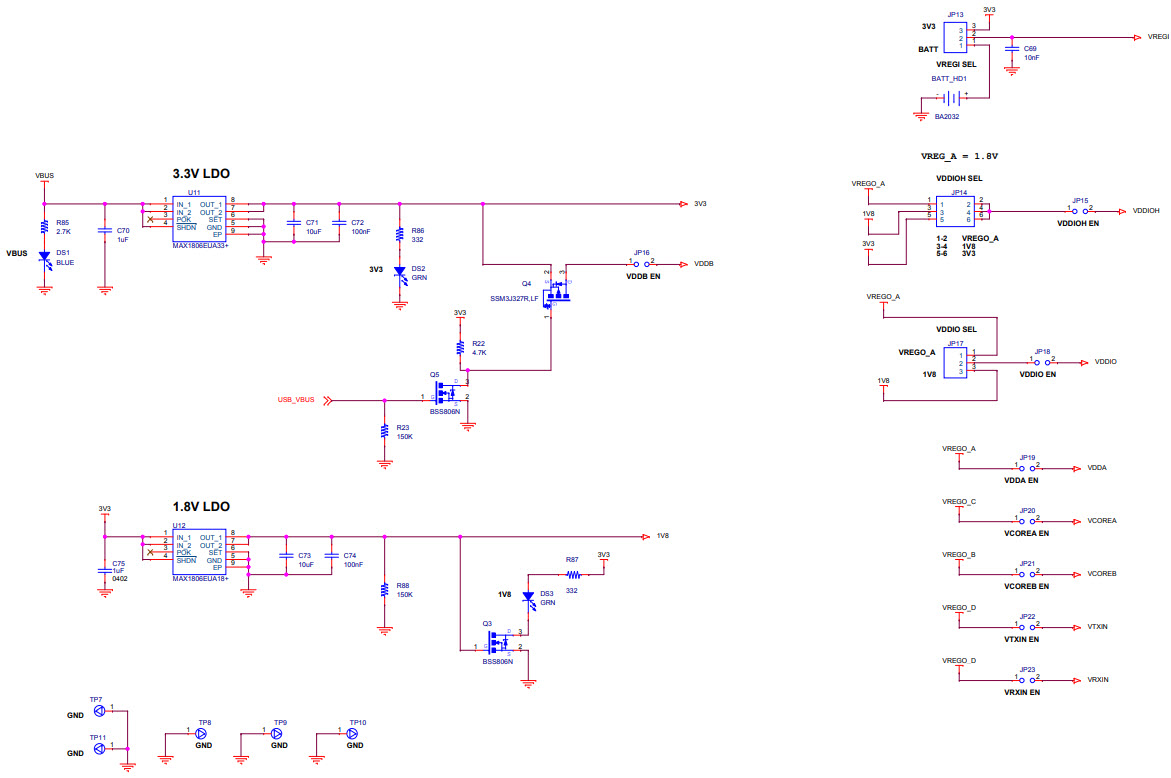
| Maxim Integrated | IC REG LIN POS ADJ 500MA 8UMAX | 0 | RFQ | |
| Abracon LLC | CRYSTAL 32.7680KHZ 6PF SMD | 0 | RFQ | |
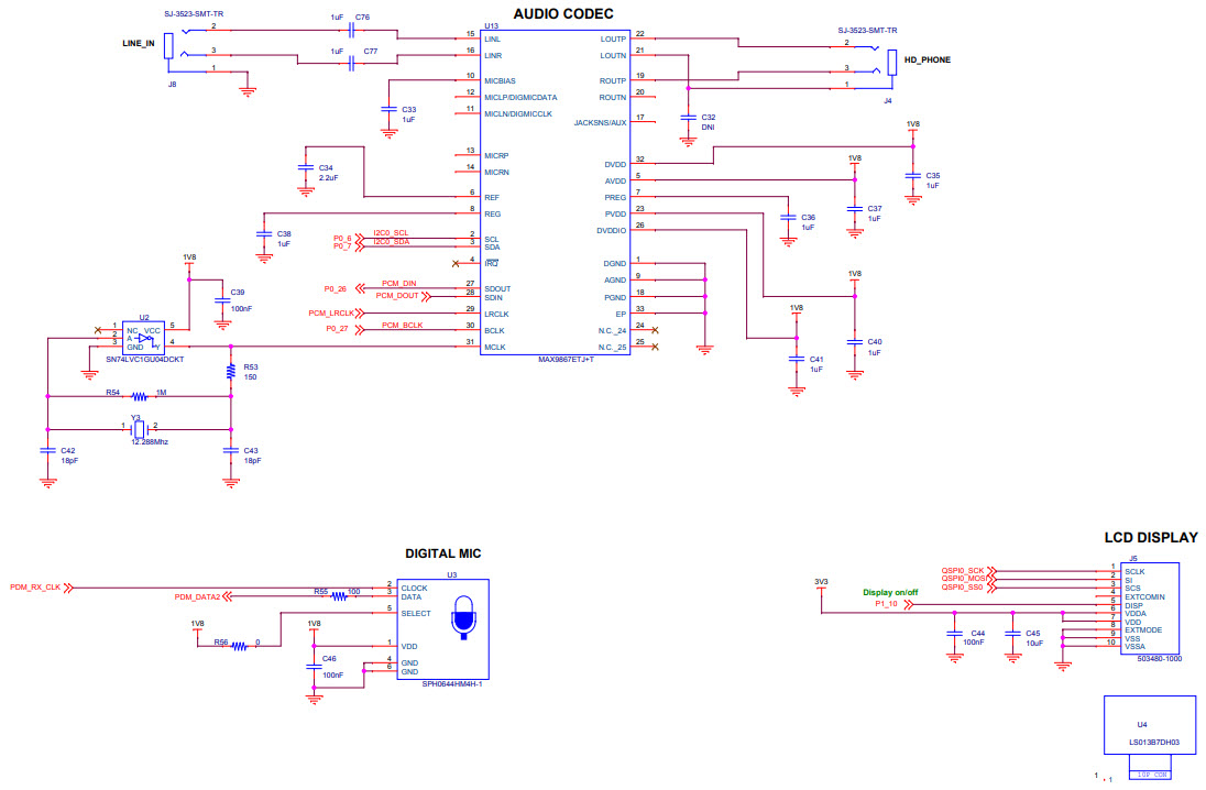
| Sharp Microelectronics | TFT Displays & Accessories 1.28 Memory LCD 128x128 Tranf HR-TFT | 0 | RFQ |


Product
Brand
Articles
Tools



























