Maxim Integrated MAX5974CEVKIT#Power Management IC Development Tools MAX5974C Eval Kit
Description
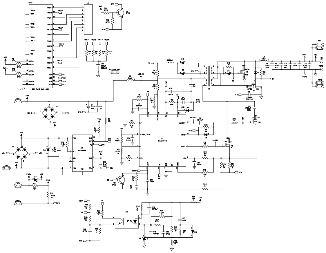
The MAX5974CEVKIT-CEVKIT# is an evaluation kit for the MAX5974C active-clamped, spread-spectrum, current-mode PWM controller. This power management IC is designed to provide efficient power conversion and control for a variety of applications. The kit includes a MAX5974C IC, a MAX5974CEVKIT# board, and a USB cable. The board features a wide range of components, including a voltage regulator, a power MOSFET, a current sense resistor, and a power inductor. The board also includes a USB interface for programming and monitoring the MAX5974C IC. The kit is ideal for evaluating the performance of the MAX5974C IC in a variety of applications.
Specifications
Maxim Integrated technical specifications, attributes, parameters and parts with similar specifications to Maxim Integrated .
- TypeParameter
- Factory Lead Time6 Weeks
- SwitchingFrequency600kHz
- PackagingBulk
- Published2011
- Part StatusActive
- Moisture Sensitivity Level (MSL)1 (Unlimited)
- TypePower Management
- Base Part NumberMAX5974
- FunctionPower over Ethernet (PoE)
- Output Voltage5V
- InterfaceEthernet
- Max Supply Voltage-39V
- Min Supply Voltage-57V
- Operating Supply Current1.8mA
- Output Current4.7A
- Min Input Voltage-57V
- Max Input Voltage-39V
- Utilized IC / PartMAX5974C
- Supplied ContentsBoard(s)
- Rise Time27ns
- Fall Time (Typ)14 ns
- Evaluation KitYes
- Height30mm
- Length297mm
- Width210mm
- Radiation HardeningNo
- RoHS StatusROHS3 Compliant
0 Similar Products Remaining
Technical Documents
Associated Products
| Part Number | Manufacturer | Description | Stock | RFQ |
|---|---|---|---|---|
| Maxim Integrated | Power Supply Support Circuit, Fixed, 1 Channel, BICMOS, PDSO10, 3 X 3 MM, ROHS COMPLIANT, TDFN-10 | 50 | RFQ | |
| ON Semiconductor | OPTOISOLATOR 5KV TRANSISTOR 4SMD | 7238 | RFQ | |
| Maxim Integrated | IC REG CTRLR FORWARD PWM 16-TQFN | 15 | RFQ |


Product
Brand
Articles
Tools















