Maxim Integrated MAX77813EVKIT#EVKIT FOR HIGH-EFFICIENCY BUCK-B
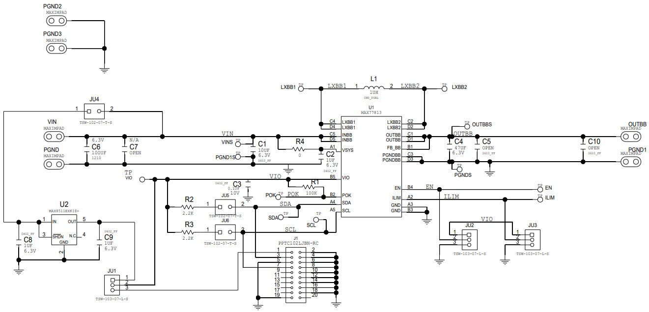
The MAX77813EVKIT-EVKIT# is an evaluation kit for the MAX77813 high-efficiency buck-boost converter, designed for consumer electronics applications. The kit includes a MAX77813EVKIT# board, a MAX77813EVKIT# evaluation board, and a MAX77813EVKIT# software package. The MAX77813EVKIT# board is a complete evaluation platform for the MAX77813, featuring a wide input voltage range of 4.5V to 28V, adjustable output voltage range of 0.8V to 5.5V, and a maximum output current of 3A. The board also includes a USB-based GUI for easy configuration and monitoring of the MAX77813. The MAX77813EVKIT# evaluation board provides a convenient way to evaluate the MAX77813 in a variety of consumer electronics applications. The board includes a wide range of components, including a power supply, a voltage regulator, a current sense resistor, and a load switch. The MAX77813EVKIT# software package includes a GUI for easy configuration and monitoring of the MAX77813, as well as a library of example code for various applications. The MAX77813EVKIT-EVKIT# is an ideal evaluation platform for the MAX77813 high-efficiency buck-boost converter, designed for consumer electronics applications.
- TypeParameter
- Factory Lead Time6 Weeks
- Voltage-Input2.3V~5.5V
- Part StatusActive
- Moisture Sensitivity Level (MSL)1 (Unlimited)
- Current - Output2A
- Voltage - Output3.3V
- Frequency - Switching2.5MHz
- Utilized IC / PartMAX77813
- Supplied ContentsBoard(s)
- Board TypeFully Populated
- Main PurposeDC/DC, Step Up or Down
- Outputs and Type1, Non-Isolated
- Regulator TopologyBuck-Boost
- RoHS StatusROHS3 Compliant


Product
Brand
Articles
Tools











